Injecteur Venturi
Bloc combiné gaz Sit Sigma 845
Clips de fixation (2...
Sonde de température
Turbine FIME - Référence...
Bombe aérosol de peinture,...
Crayon pour retouches, blanc
Joints toriques 17 x 24 x 2...
Isolant en fibre arrière 24 kW
Isolant avant 24 kW
Isolant latéral 24-30kW
Bloc hydraulique double...
Tôle avant WH1D
Fusible T 2,5A/250V (10...
Moteur circulateur UP-15/50...
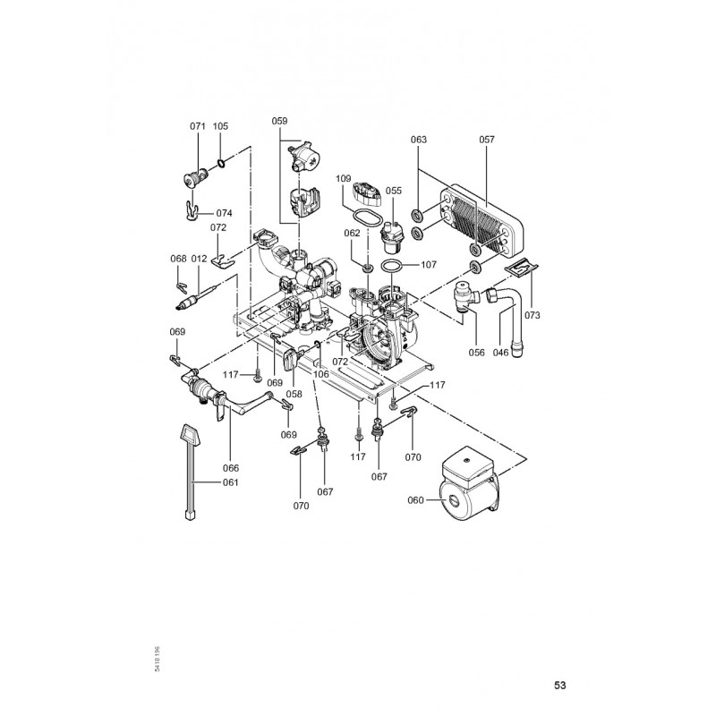
Echangeur à plaques 12...
Kit joint échangeur à plaques
Pochette joints d'étanchéité
Joint bride de raccordement...
Joint capuchon oval (5 pièces)
Joint profilé Vitopend (4...
Joint torique étanchéité...
Joint torique 16 x 3 (5...
Joint torique 17x4 (5 pièces)
Joints toriques (5 pièces)...
Sonde de température -...
Vanne coudée
Vanne eau froide 2 voies
Moteur pas à pas (linéaire)...
Câble de raccordement...
Cartouche bipass
Départ/Retour ECS
Côté droit de chambre de...
Côté gauche chambre de...
Flexibles de pression WH1B
Jeu de fermetures à ressort...
Kit déflecteurs air en tôle...
Nourrice gaz ventouse 24kW...
Serre câble (10 pièces)
Tube de raccordement SIV
Vanne de remplissage -...
Boîte de fumées ventouse...
Bride de raccordement...
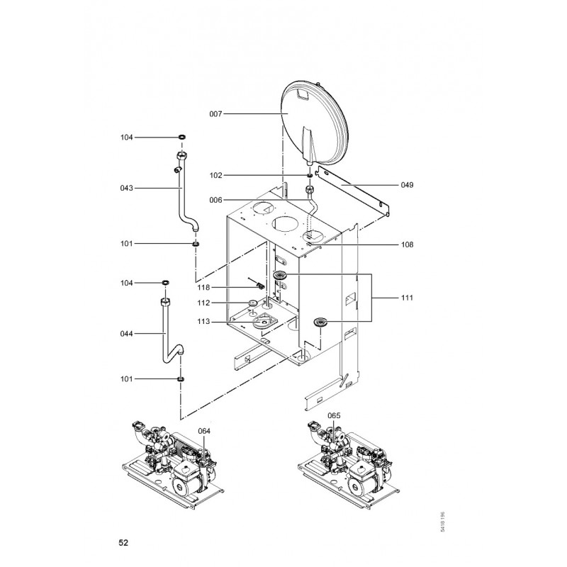
Câble de raccordement vanne...
Caisson tôle 24 kW interne
Clip de fixation raccord...
Collier de câble WS-3-01 (5...
Couvercle arrivée d'air
Faisceau câbles moteur pas...
Kit coudes 15 + 18
Kit coudes de raccordement 22
Kit insonorisant
Kit joints toriques 9,6 x 2,4
Kit tubes de raccordement...
Kit tubes de raccordement 22
Passe-câble (5 pièces)
Manchon de passage arrivée...
Passe-câbles
Plaque recouvr. chambre...
Plastron coffret de...
Régulateur d'eau type A 10L
Robinet de remplissage et...
Support mural 24kW
Support régulation 24kW
Faisceau de câbles CN7...
Brûleur 12 Segments WH1B
Tube d'alimentation gaz 24kW
Tube de raccordement HR 24kW
Tube de raccordement HV 24kW
Tube raccordement vase...
Vase d'expansion DUK6
Vis FDS M4 x 10 (5 pièces)
Vis FDS M4 x 13 (5 p.)
Vis Parker ST 2,9 x 6,5 (5 p.)
Vis Parker ST 4,8 x 63 (5 p.)
Vis PT 50 x 12 (5 p.)
Clip D=13,5 (5 pièces)
Clip D=16 (5 pièces)
Clips D=10 (5 pièces)
Clips D=18 (5 pièces)
Clips D=8 (5 pièces)