Joint électrode...
Bloc combiné gaz de...
Entrée d'air NRG118 E CVI
Graisse pour joint (6g)
Sonde de température
Bombe aérosol de peinture,...
Crayon pour retouches, blanc
Joint de tête de brûleur
Joint étanchéité buse de...
Joint bride porte de...
Bloc isolant
Vanne gaz coudée G 3/4 x R...
Fusible T 2,5A/250V (10...
Kit joint échangeur à plaques
Pochette joints d'étanchéité
Joint torique 17x4 (5 pièces)
Vanne avec bouchon
Vanne coudée
Moteur pas à pas (linéaire)...
Câble de raccordement...
Cartouche bipass
Collier à ressort DN 25 (5...
Départ/Retour ECS
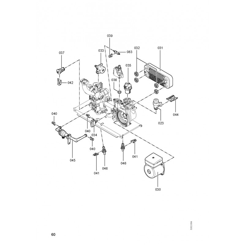
Flexible HV
Manchette de raccord 60/100...
Robinet de purge d'air G 3/8"
Serre câble (10 pièces)
Vanne de remplissage -...
Adaptateur flexible
Adaptateur moteur pas à pas
Câble d'allumage -...
Clip de fixation raccord...
Coude de raccordement...
Echangeur de chaleur avec...
Faisceau câbles moteur pas...
Faisceau de câbles X20
Flexible condensat
Flexible de condensat -...
Kit cornière (2 pièces)...
Kit coudes 15 + 18
Kit tubes de raccordement...
Plastron coffret de...
Rallonge Venturi 35kW
Régulateur d'eau type A 10L
Robinet de remplissage et...
Siphon de flot
Support mural
Support régulation
Régulation VBC112-A01.100 WB1B
Tube de raccordement gaz 26kW
Clip D=16 (5 pièces)
Clips D=10 (5 pièces)
Clips D=18 (5 pièces)
Clips D=8 (5 pièces)