Brûleur cylindrique B2xx 68...
Joint électrode...
Manomètre avec capillaire 0...
Raccord en T - Référence...
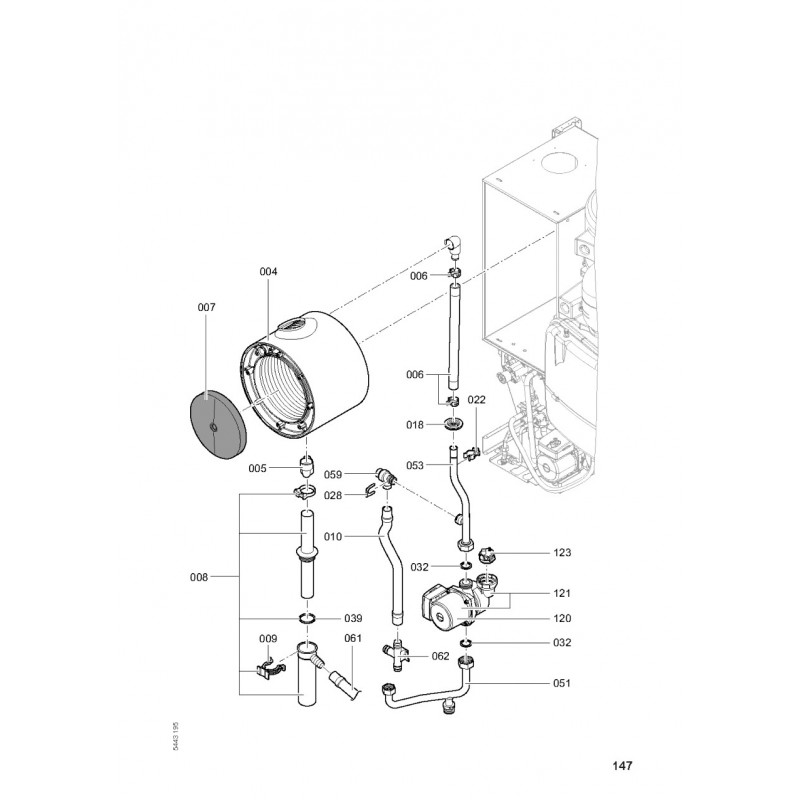
Joints toriques 17,86x2,62...
Bloc combiné gaz CES -...
Transfo d'allumage BW12126-00
Graisse pour joint (6g)
Sonde de température
Sonde ECS NTC - Référence...
Bombe aérosol de peinture,...
Crayon pour retouches, blanc
Jeu de clips de fixation (2...
Contre fiche
Joints toriques 17 x 24 x 2...
Joint de tête de brûleur
Joints 23 x 30 x 2mm (5...
Joint torique 35,4 x 3,59...
Joint étanchéité buse de...
Joint bride porte de...
Régulation VBC132-A04.201 -...
Isolant pompe de charge
Isolant réservoir partie...
Porte brûleur WB2B 19-35
Tôle avant
Circulateur VIUPM 15-70...
Moteur circulateur...
Circulateur VIUPSO15-60...
Joint A 6 x 11 x 1 (5 pièces)
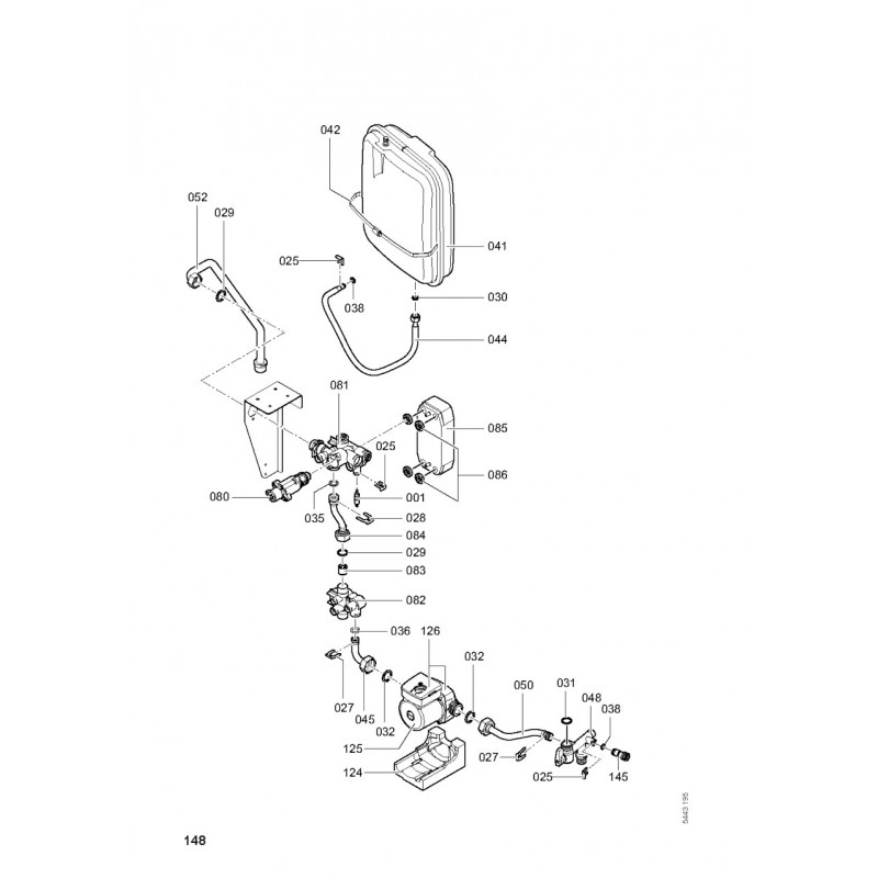
Joint plat (3 pièces)
Joint profilé (4 pièces)
Joint torique 14,3 x 2,4 (5...
Joint 38 x 44 x 3 (5 pièces)
Joint torique étanchéité...
Collier à ressort DN 25 (5...
Conduite de décharge
Coude d'arrêt réservoir
Dispositif de retours
Injecteur gaz 06 jaune
Jeu de fermetures à ressort...
Manchette de raccord 60/100...
Papillon gauche et droit...
Purgeur d'air - Référence...
Clips de fixation...
Robinet de purge d'air G 3/8"
Serre câble (10 pièces)
Tube de condensats
Tube de raccordement KW
Tube de raccordement WW
Soupape différentielle -...
Boîtier face arrière
Conduite de racc.vase...
Couvercle de ballon
Fiche plate
Flexible transparent 10 x...
Flexible condensats
Flexible de condensat
Flexible retour chauffage -...
Kit joints toriques 9,6 x 2,4
Passe-câble (5 pièces)
Pièces de blocage gauche et...
Porte fusible 6,3 AT
Rallonge venturi
Serre câble
Siphon
Support régulation 600mm
Vitotronic 200 HO1A -...
Faisceau de câbles...
Fiche de codage 231D:0101
Tube 19 x 600 torsadé
Tube arrivée gaz
Tube de liaison HR
Tube de liaison HW
Tube de mélange
Tube de raccordement HV
Tube raccordement pompe de...
Clip D=15
Clips D=8 (5 pièces)
Bouchon D=8/ D=10
Clip D=10 (5 pièces)
Clip D=18
Collier d=220-240 x 9
Clip de fixation D=18
Joint d'étancheité 15 l=520...