Bloc combiné gaz CES -...
Clips de fixation (2...
Sonde de température
Charnière (10 pièces)
Joint D=110 (1 pièce)
Bloquage régulation...
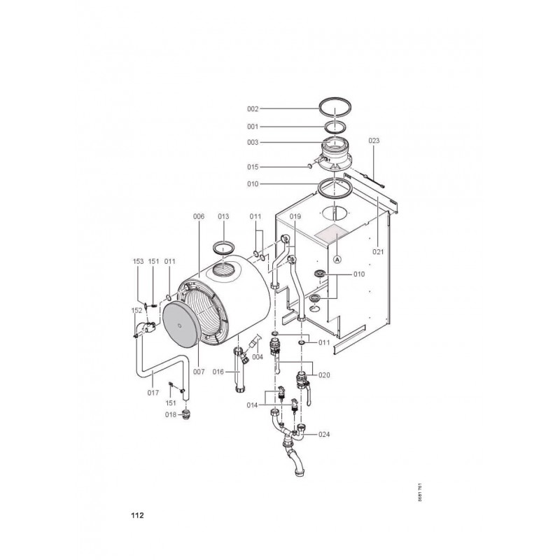
Joint (prise d'air, Sk) DN150
Bombe aérosol de peinture,...
Crayon pour retouches, blanc
Porte manomètre
Platine d'adaptation module...
Vitotronic 200 Ho1 Sans...
Contre fiche
Joint de grille de brûleur
Manomètre 0-6 bar avec tube...
Faisceau de câbles...
Bloc isolant (fond CDC)
Contrôleur de débit
Joint bride porte de...
Jeu de joints A 16 x 24 x 2...
Corps de flamme cylindrique...
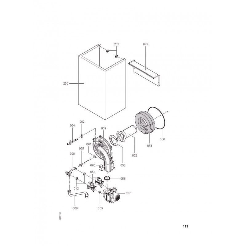
Porte brûleur WB2B 45-100
Panneau avant...
Tôle de fermeture
Joint électrode...
Plastron arrière
Serre câble (10 pièces)
Allumeur - Référence...
Tube gaz...
Echangeur de chaleur -...
Entrée d'air RG148 80/105kW
Fiche de codage 2022:0206
Injecteur gaz 09 gris (2...
Passe-câble (set)
Kit joints
Manchette de raccordement...
Pièce de sureté
Pince (10 pièces)
Plaque de protection
Porte fusible 6,3 AT
Raccord
Robinet à bille
Siphon
Support mural WB2B/B2Hx...
Tuyau d'alimentation en...
Tuyau de raccordement...
Support L=480
Joint à lèvres D=100 -...
Volet l=480 K2