Relais de surveillance des...
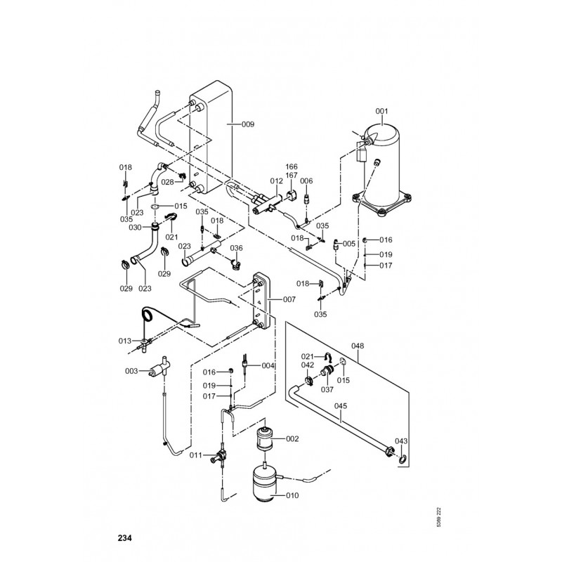
Thermorelais (17-23 A)
Interrupteur 2 pôles
Charnière (2 pièces)
Joint torique 28 X 2,5
Sonde -0°C ...+150°C Pt500
Réducteur d'intensité avec...
Sonde de temp. pompe à...
Sonde de pression haute...
Vanne Schrader
Module de commande WPR 300
Commande éléctronique...
Platine de base avec cache...
Platine d'extension avec...
Relais surveillance phase...
Platine (sondes ) CU401...
Jaquette avant droite/gauche
Porte fusible T6,3A
Tôle avant inférieure 20kW AWI
Tôle entretoise arrière...
Tôle latérale droite...
Tôle latérale inférieure...
Tôle latérale supérieure...
Joint A 30 x 44 x 2 (2 pièces)
Joint cônique 1/4" KD4 (1...
Joint torique 20,63 x 2,62
Sonde basse pression ND...
Pressostat CB 31 2 bar -...
Sonde de temp.PT500 sortie...
Détendeur TLEX 2,0 R407C
Vanne de...
Compresseur ZH24
Corps électrovanne liquide...
Robinet de purge d'air G 3/8"
Bombe aérosol de peinture,...
Logement pour sonde
Adaptateur EPP traversée de...
Bague d'entrée d'air pour...
Bouteille liquide Bi Flow 2,5L
Détendeur Bi Flow Soupape...
Borne 116 blanche
Borne 25 blanche
Borne 26 blanche
Borne 39 blanche
Borne 57 blanche
Borne 97 noire
Borne d'alimentation...
Borne(EJP...
Borne(EJP libération)blanche
Bornier de raccordement
Bouchon décoratif (RAL...
Câble de liaison 4 pôles,...
Nappe de câbles AWG (module...
Cache Vitotronic GC/GW -...
Capuchon d'étanchéité B 6
Circulateur VI Para 25/1-7...
Clapet facade
Collier standard DN32
Condenseur CB60-90
Connecteur tulipe Ø 28
Contrôleur de débit VKS32M2...
Contrefiche platine...
Couvercle avant
Couvercle droit/gauche
Déshydrateur BFK-164S
Ecrou Et Bouchon 1/4
Evaporateur AWH-I/AWH-O 120...
Faisceau de cables HP...
Fermeture
Fiche A Ressort - Référence...
Fiche de codage 4040:02
Fixation
Flexible 1 1/2" avec coude
Injecteur 63072-2-4013
Jeu de câbles chauffage...
Jeu de câbles module...
Kit de liaison AWH-I
Logement module de commande
Logo Viessmann
Logo Vitocal 350
Mamelon Ø 28
Manchon D28 intérieur 84 mm
Manchons pour bac récupérateur
Matelas insonorisant tôle...
Nappe de câbles, 10 pôles
Nappe de câbles 16 pôles
Nappe de câbles 24 pôles
Nappe de câbles 26 pôles
Nappe de câbles 50 pôles
Partie Avant de Boitier...
Partie Inferieure Boitier
Partie inférieure boîtier bleu
Passe-câble
Pièces de laison Vitocal...
Platine raccord. avec toron...
Platine de base de sonde...
Platine de distribution
Platine optolink
Raccord D28
Support...
Platine de base Vitocal WPR...
Platine raccordement avec...
Relais d'accouplement
Transformateur - Référence...
Vis liaison EPP
Interrupteur d'alimentation...
Collier de maintien d=26-28...
Collier de sûreté d=28
Flexible DN32 L=463 avec G1...
Pied support D=46 M12 x 70...
Turbine R3G500 câble L=3500