Relais - Référence...
Vis pour clipsage tôle...
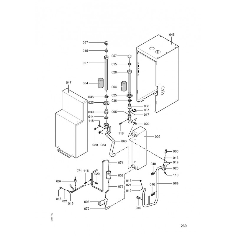
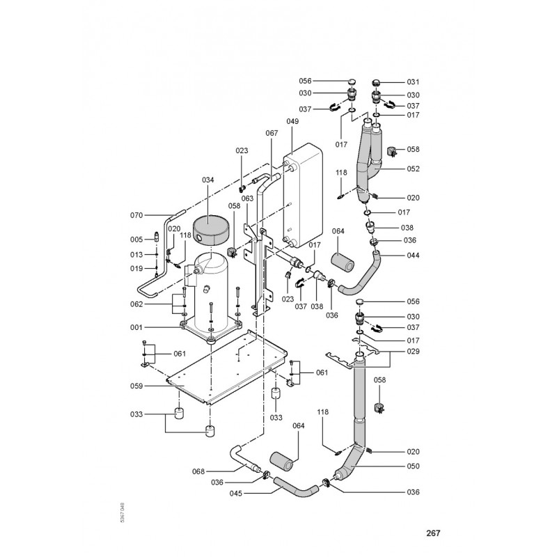
Joint torique 28 X 2,5
Sonde de temp. pompe à...
Sonde de pression haute...
Vanne Schrader
Isolation compresseur ZH15-26
Tôle de fixation
Tôle latérale droite
Tôle latérale gauche
Tôle support départ/retour
Joint A 27 x 39 x 2 (1 pièce)
Joint A 30 x 44 x 2 (2 pièces)
Joint cônique 1/4" KD4 (1...
Sonde basse pression ND...
Thermorelais (6,0-9,0A)
Robinet de purge d'air G 3/8"
Bombe aérosol de peinture,...
Amortisseur caoutchouc D 40...
Borne 116 blanche
Borne d'alimentation
Bouchon G1" SW27 avec joint...
Câble KM condenseur-filtre...
Câbles KM...
Capuchon d'étanchéité B 6
Collier standard DN32
Compresseur ZH26 K4E-TFD
Condenseur CB60-66
Câble du détendeur...
Conduite départ
Conduite départ eau glycolée
Conduite eau glycolée retour
Conduite equerre 16 Soupape...
Conduite retour
Conduite retour chauffage
Conduite sèche soupape
deshydrateur Ff 083 Mms
Détendeurl EX4-M21
Ecrou G1/4 pour vanne Schrader
Eléments de raccordement
Evaporateur CB60 x 50
Fiche A Ressort - Référence...
Fixation compresseur
Flexible DN32
Jeu de câbles mises à terre
Jeu de câbles soupape
Mamelon connecteur G1-D28
Manchon de raccordement D...
Manchon de raccordement FM...
Passe-câble
Pièce de protection...
Pied réglable (1 pièces)...
Protection arrière
Réducteur d'intensité au...
Support échangeur de chaleur
Transformateur - Référence...
Pressostat Interrupteur...
Collier de maintien d=26-28...
Collier de sûreté d=28
Clip tube D=18
Flexible DN32 L=298 avec...
Flexible DN32 L=463 avec G1...