Tête de circulateur VIRS...
Relais de surveillance des...
Relais - Référence...
Interrupteur 2 pôles
Bouchon "orange"
Vis pour clipsage tôle...
Joint torique 28 X 2,5
Sonde de temp. pompe à...
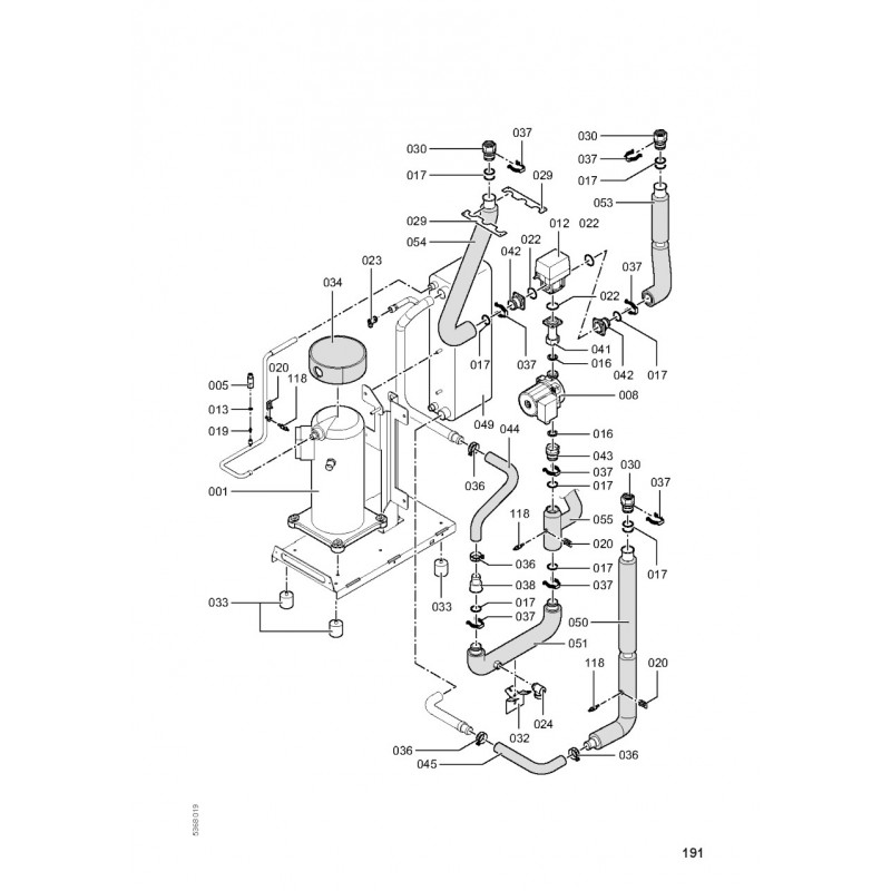
Sonde de pression haute...
Vanne Schrader
Module de commande WPR 300
Tôle de fixation
Tôle latérale droite
Tôle latérale gauche
Tôle Supérieure avant
Tôle support départ/retour
Joint A 21x 30,0 x 2,0 (2...
Joint A 27 x 39 x 2 (1 pièce)
Joint A 30 x 44 x 2 (2 pièces)
Joint cônique 1/4" KD4 (1...
Joint torique 34 x 2
Sonde basse pression ND...
Vanne 3 voies moteur pas à pas
Vanne de...
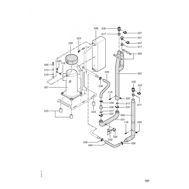
Robinet de purge d'air G 3/8"
Bombe aérosol de peinture,...
Amortisseur caoutchouc D 40...
Borne 116 blanche
Borne d'alimentation
Câble KM condenseur-filtre...
Câbles KM...
Cache
Capuchon d'étanchéité B 6
Collier standard DN32
Compresseur ZH30 K4E-TFD
Condenseur CB60-66
Câble du détendeur...
Conduite départ eau glycolée
Conduite eau glycolée retour
Conduite equerre 16 Soupape...
Conduite retour
Conduite retour chauffage
Conduite sèche soupape
Contact auxiliaire Hn 10
deshydrateur Ff 083 Mms
Détendeurl EX4-M21
Ecrou G1/4 pour vanne Schrader
Eléments de raccordement
Evaporateur CB60 x 66
Faisceau de câbles très...
Fiche A Ressort - Référence...
Fiche de codage 4020:02
Fixation compresseur
Flexible DN32
Jeu de câbles mises à terre
Jeu de câbles module de...
Jeu de câbles soupape
Jeu de conduites E-Chauffage
Logo Vitocal 300
Mamelon connecteur G1-D28
Manchon de raccordement D...
Manchon de raccordement IG...
Module de commande avec...
Moteur de pompe VITOP S 25/7-3
Nappe de câbles 24 pôles
Nappe de câbles 26 pôles
Nappe de câbles 50 pôles
Passe-câble
Petit collecteur
Pièce de protection...
Pied réglable (1 pièces)...
Platine de base de sonde...
Platine de base Vitocal WPR...
Protection arrière
Raccord à bague de compression
Raccord à fourchette vanne...
Réducteur d'intensité au...
Support échangeur de chaleur
Platine raccordement avec...
Transformateur - Référence...
Pressostat Interrupteur...
Collier de maintien d=26-28...
Collier de maintien d=21-23...
Collier de sûreté d=28
Clip tube D=18
Flexible DN32 L=298 avec...