Joint A 35 x 45 x 2 (1 pièce)
Tige de brosse à raccord...
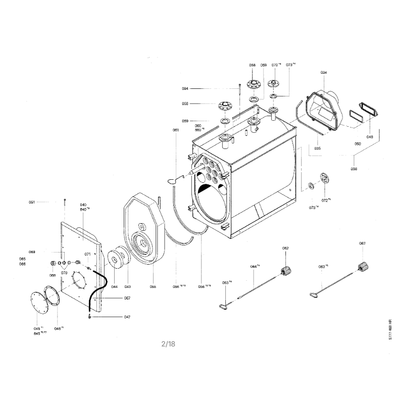
Brosse de nettoyage 90x100 mm
Verre de regard avec joints
Couvercle A3
Ecrou laiton pour viseur de...
Manchon pour flexible 1/4"
Tôle latérale droite DR008
Tôle latérale gauche DR008
Tôle supérieure droite PS008
Tôle supérieure PS 008
Joint DN65 123x123x3...
Accessoires verre de viseur...
Bloc isolant
Bombe rotorange RAL 2001...
Buse de fumées
Cache pour tôle supérieure
Doigt de gant "UE" R 1/2 -...
Flacon de peinture RAL 2001
Goujon 12 X 70 X 64,5
Matelas de Kerlan
Matelas isolant arrière...
Matelas isolant avant
Rail de Fixation Superieur
Tube Interieur Tn008
Tube plastique 800 mm
Matelas isolant II D=200 mm
Matelas Isolant D = 200