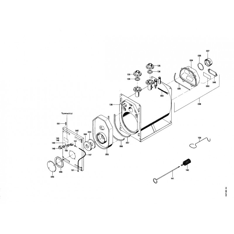
Réfractaire
Joint A 35 x 45 x 2 (1 pièce)
Tige de brosse à raccord...
Brosse de nettoyage 90x100 mm
Verre de regard avec joints
Couvercle A3
Doigt de gant CM2...
Ecrou laiton pour viseur de...
Manchon pour flexible 1/4"
Joint cérame 10x10
Joint DN65 123x123x3...
Accessoires verre de viseur...
Axe B12 H11 X 110
Bombe rotorange RAL 2001...
Buse de fumées AGA4/A...
Cordon cérame 15 x 20
Flacon de peinture RAL 2001
Manchon boîte de fumées RS200
Matelas kerlane
Tuyau intérieur 999
Tube plastique 800 mm
Matelas isolant II D=240 MM
Joint cérame D=10 l=3600 (1...
Matelas isolant I D=240