Joint A 35 x 45 x 2 (1 pièce)
Brosse de nettoyage 90x100 mm
Verre de regard avec joints
Mastic Dirko HT (Tube 80 g)
Couvercle A3
Doigt de gant CM2...
Ecrou laiton pour viseur de...
Manchon pour flexible 1/4"
Réfractaire inférieur
Porte Paromat Zn050-060
Joint cérame 10x10
Joint Dn50
Joint Nw 100 Nd 16
Accessoires verre de viseur...
Appareil de nettoyage -...
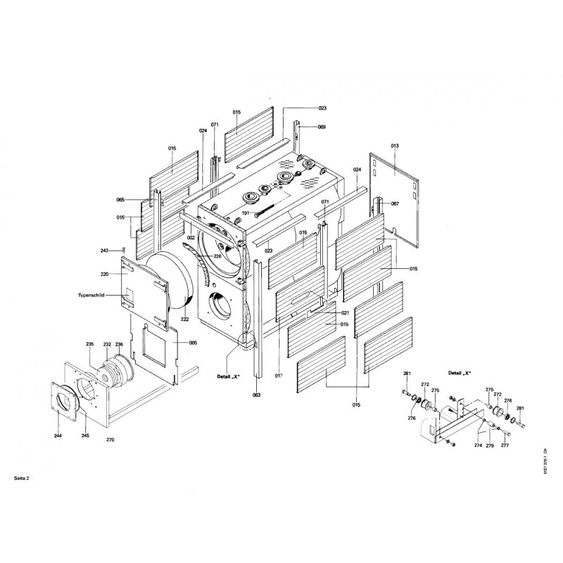
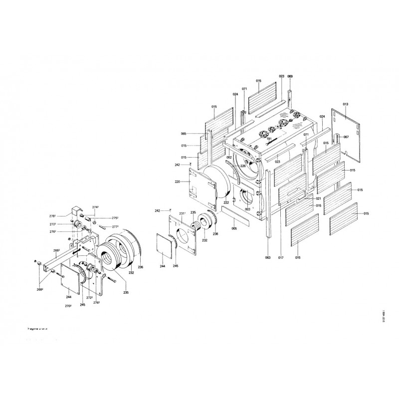
Axe B12 H11 X 110
Bloc réfractaire supérieur
Cache manchon de sonde
Colis accessoires isolation
Corde isolation 25 X 15
Cordon Ceram 30 x 20
Coude 1/4"
Couvercle pour RU/KR
Extracteur de tube interne...
Flacon de peinture RAL 2001
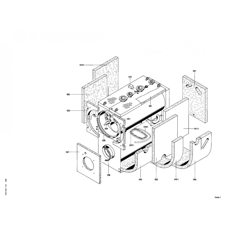
Manteau isolant supérieur...
Matelas isolant avant droite
Matelas isolant avant gauche
Matelas isolant avant sous
Matelas isolant droit et...
Matelas isolant inférieur...
Matelas isolant suérieur...
Matelas isolant supérieur...
Spray couleur Vitorange RAL...
Tissu fibre de verre 20x4...
Tube intérieur KN/ZN050
Tube plastique 800 mm
Joint cérame D=10 l=3600 (1...
Matelas isolant S=30, D=290