Joint A 35 x 45 x 2 (1 pièce)
Manche pour brosse M10
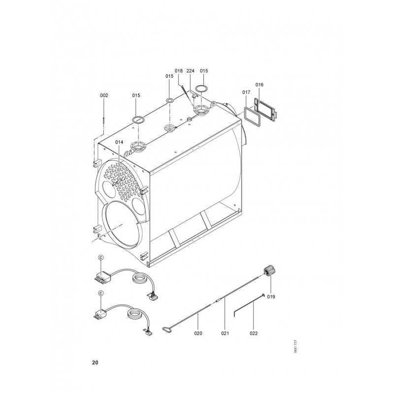
Verre de regard avec joints
Couvercle A3
Doigt de gant CM2...
Manchon pour flexible 1/4"
Porte 700/900 kW
Couvercle arrière
Tôle arrière inférieure
Tôle avant inférieure Vitoplex
Tôle avant-arrière...
Tôle latérale SX2
Turbulateur Paromat
Joint 370 x 450 x 5 (kit...
Joint céram GF D18 long...
Joint Dn50
Bombe aérosol de peinture,...
Axe B12 H11 X 110
Bague viseur de flamme
Bloc isolant inférieur...
Bloc isolant supérieur...
Cache manchon de sonde
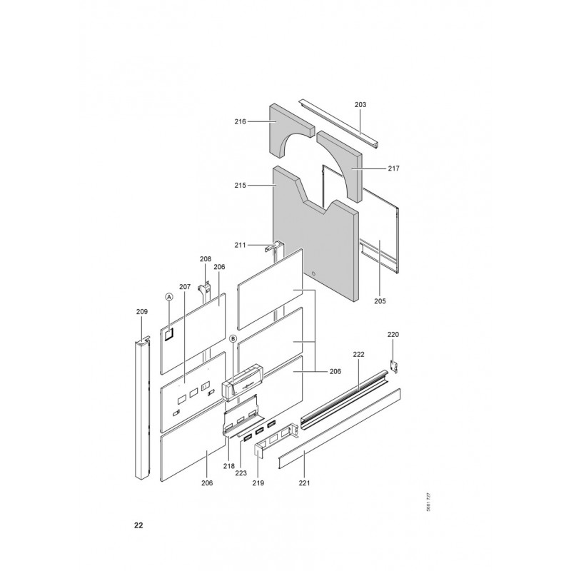
Console Arriere
Console régulation
Cornière arrière gauche
Rail avant droit
Rail central
Fixation de Câble
Kit isolation thermique
Manteau isolant
Matelas isolant arrière droit
Matelas isolant arrière gauche
Manteau isolant arrière
Matelas isolant avant droit...
Matelas isolant avant...
Pochette verre de viseur
Baguette d'angle VR1...
Rallonge tige de brosse 1500
Tire turbulateur
Tube plastique 800 mm
Bande Vitorange (1 rouleau...
Brosse de nettoyage D=51x100
Joint Cerame 25 X 15 L:4 000
Matelas isolant D=350