Joint A 35 x 45 x 2 (1 pièce)
Brosse de nettoyage 90x100 mm
Verre de regard avec joints
Couvercle A3
Doigt de gant CM2...
Tube intérieur...
Ecrou laiton pour viseur de...
Manchon pour flexible 1/4"
Porte Paromat Zn050-060
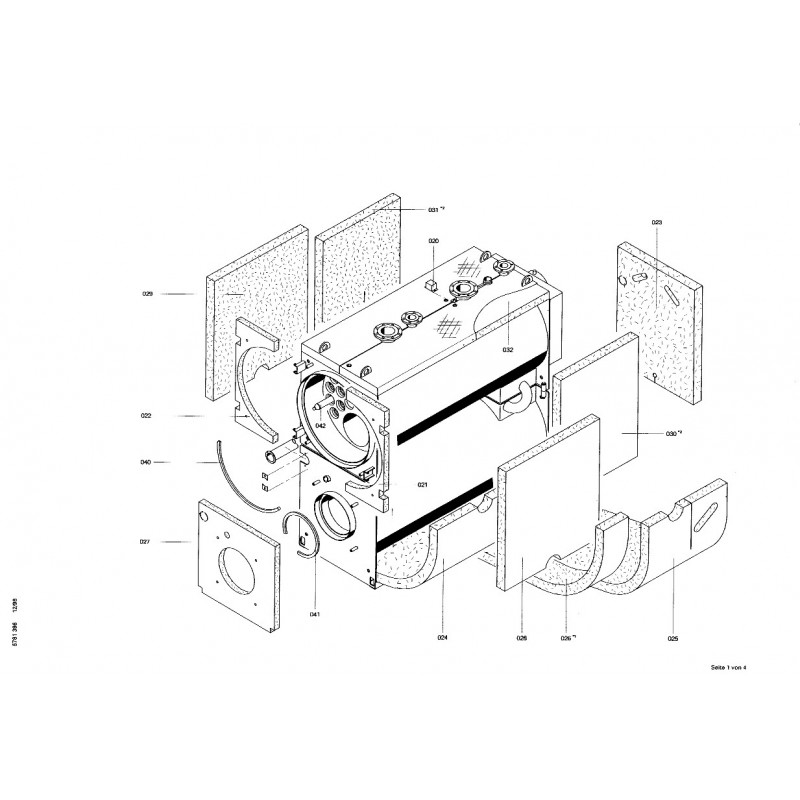
Tôle supérieure avant...
Joint DN65 PN16
Joint Nw 125 Nd 16
Accessoires verre de viseur...
Appareil de nettoyage -...
Axe B12 H11 X 110
Bloc Isolant Inferieur Paromat
Bloc réfractaire supérieur
Bombe rotorange RAL 2001...
Cache manchon de sonde
Colis accessoires isolation...
Coude 1/4"
Extracteur de tube interne...
Flacon de peinture RAL 2001
Manteau isolant supérieur...
Matelas isolant avant droite
Matelas isolant avant gauche
Matelas isolant droit et...
Matelas isolant inférieur...
Matelas isolant suérieur...
Matelas isolant supérieur...
Tissu fibre de verre 20x4...
Tube plastique 800 mm
Joint cérame GF 25 x 20 L:3000
Joint Cerame 9 X 7 L = 2000