Bobine électrovanne...
Moteur circulateur VIUPE 60...
Manomètre avec capillaire...
Jeu de joints - Référence...
Transfo d'allumage...
Insert filtre (25-40 µm)
Jeu câbles d'allumage
Clips de fixation (2...
Graisse pour joint (6g)
Sonde de température
Charnière (10 pièces)
Moteur linéaire pas à pas
Kit écrous à clipser (2x)
Pièce pour brûleur
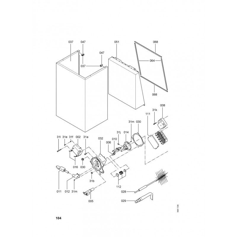
Brosse de nettoyage
Bloquage régulation...
Graisse de contact P12
Bombe aérosol de peinture,...
Crayon pour retouches, blanc
Porte manomètre
Jeu de clips de fixation (2...
O-Ring 17,86 x 2,62 mm (5 pcs)
Platine d'adaptation module...
Silencieux
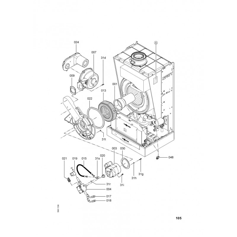
Extension interne H3
Couvercle dispositif...
Vitotronic 200 Ho1 Sans...
Contre fiche
Dispositif rotateur 15/22...
Ressort de pression avec...
Manchons passage manchette...
Sonde de température de fumées
Détecteur de flamme...
Anneau réfractaire
Régulation Vitoplus/Vitoladens
Ventilateur RG128 230VAC...
Tôle Avant Vitoplus 300
Joint profilé pour Vitopend
Pompe fioul BFP 52E L3 LE-S...
Thermo-switch - Référence...
Conduite fioul
Noyau électrovanne
Plastron arrière
Serre câble (10 pièces)
Bocal de Filtre Magnum
Buse coudée
Câble de raccordement...
Cable de raccordement...
Canal d'amenée d'air
Capot en tôle avec joints
Conduite fioul départ -...
Conduite fioul retour -...
Coude fileté
Couvercle boitier de racc.
Entretoise
Faisceau de câbles
Faisceau de câbles KM-Bus...
Faisceau de câbles 121/124
Fiche A Ressort - Référence...
Fiche de codage 20F1:0206
Jeu de pieces de fixation
Manchette de raccordement...
Pince (10 pièces)
Porte fusible 6,3 AT
Ressort de sureté
Support détecteur IRD
Tube de raccordement Siphon...
Joint (prise d'air, Sk) DN125
Support L=480
Joint 10 x 10 mm L=630mm
Joint D=80 côté fumée...
Volet l=480 K2