Joint A 35 x 45 x 2 (1 pièce)
Brosse de nettoyage 90x100 mm
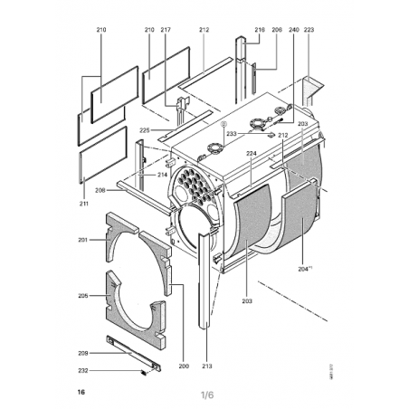
Verre de regard avec joints
Pochette matelas de Fiberfrax
Ecrou laiton pour viseur de...
Manchon pour flexible 1/4"
Tube intérieur
Trappe de ramonage
Joint
Joint DN65 PN16
Bombe aérosol de peinture,...
Accessoires verre de viseur...
Appareils de nettoyage...
Axe B12 H11 X 110
Bloc isolant inférieur
Bloc isolant supérieur
Cache manchon de sonde
Console Arriere
Console régulation
Coude 1/4"
Doigt de gant
Fixation de Câble
Matelas isolant arrière droit
Matelas isolant arrière gauche
Matelas isolant arrière...
Matelas isolant avant...
Partie Sup. Du Chemin de...
Baguette d'angle VR1...
Sachet accessoires Vitoplex
Serre câble (2 logements)
Tube plastique 800 mm
Bande Vitorange (1 rouleau...
Joint cérame 16 X 12 L=4000...
Joint céramique 16 x 12mm L...
Joint Cerame 9 X 7 L = 2000
Joint cérame + colle
Matelas Isolant D=400