Pompe fioul BFP 52E L3...
Bobine électrovanne...
Moteur circulateur VIUPE 60...
Manomètre avec capillaire...
Jeu de joints - Référence...
Insert filtre (25-40 µm)
Clips de fixation (2...
Graisse pour joint (6g)
Sonde de température
Charnière (10 pièces)
Moteur linéaire pas à pas
Kit écrous à clipser (2x)
Pièce pour brûleur
Brosse de nettoyage
Bloquage régulation...
Graisse de contact P12
Bombe aérosol de peinture,...
Crayon pour retouches, blanc
Porte manomètre
Jeu de clips de fixation (2...
O-Ring 17,86 x 2,62 mm (5 pcs)
Platine d'adaptation module...
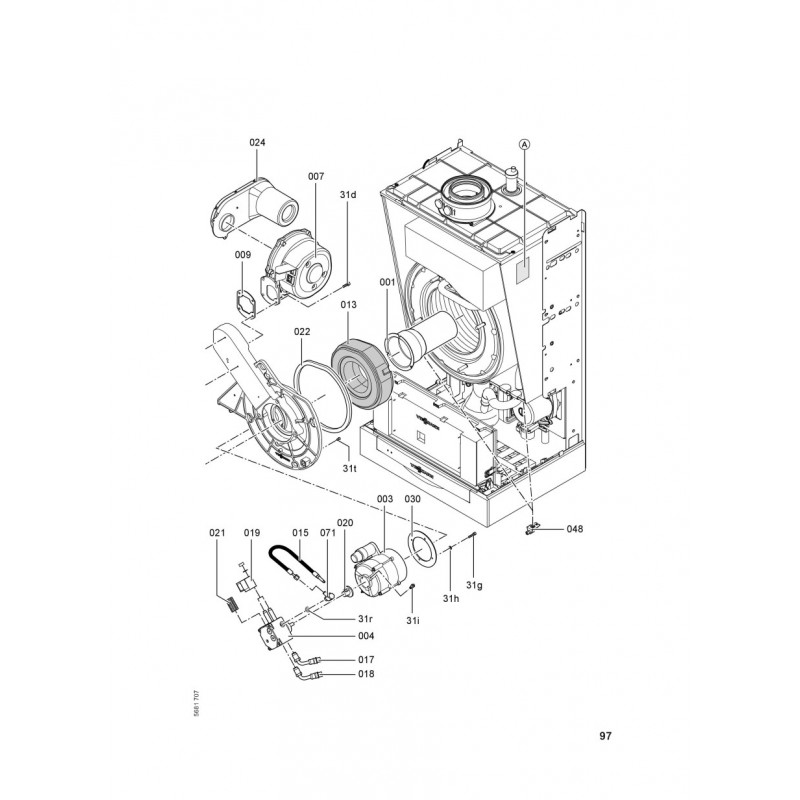
Silencieux
Extension interne H3
Vitotronic 200 Ho1 Sans...
Contre fiche
Ressort de pression avec...
Manchons passage manchette...
Sonde de température de fumées
Couvercle dispositif de...
Transfo d'allumage ZTÜ230V...
Anneau réfractaire
Régulation Vitoplus/Vitoladens
Ventilateur RG128 230VAC...
Joint profilé pour Vitopend
Thermo-switch - Référence...
Conduite fioul
Plastron arrière
Serre câble (10 pièces)
Bocal de Filtre Magnum
Buse coudée
Câble de raccordement...
Canal d'amenée d'air
Capot en tôle avec joints
Conduite fioul départ -...
Conduite fioul retour -...
Coude fileté
Couvercle boitier de racc.
Faisceau de câbles
Faisceau de câbles KM-Bus...
Fiche A Ressort - Référence...
Fiche de codage 20F1:0206
Jeu de pieces de fixation
Manchette de raccordement...
Passe-câble
Pince (10 pièces)
Porte fusible 6,3 AT
Ressort de sureté
Joint (prise d'air, Sk) DN125
Support L=480
Joint 10 x 10 mm L=630mm
Joint D=80 côté fumée...
Volet l=480 K2