Pressostat 40 Pa
Manomètre avec capillaire...
Sonde température avec NTC
Pressostat gaz nat E
Moteur de pompe VI...
Kit fermeture (2pcs)
Bloc combiné gaz Sit Sigma 845
Régulation GG2 ventouse
Clips de fixation (2...
Sonde de température
Charnière (10 pièces)
Kit joints PWT
Détecteur de débit
Moteur linéaire pas à pas
Kit écrous à clipser (2x)
Bloquage régulation...
Bombe aérosol de peinture,...
Crayon pour retouches, blanc
Porte manomètre
Sachet de joints
Kit flexible de liaison
Platine d'adaptation module...
Vitotronic 200 Ho1 Sans...
Contre fiche
Isolation arrière chambre...
Isolation avant chambre de...
Isolation latérale chambre...
Isolant
Isolant flexible
Tôle Avant Wh2A/Whka
Joint profilé pour Vitopend
Joint bride de raccordement...
Joint capot tôle arrière (1...
Soupape ECS chaud. murales
Thermo-switch - Référence...
Régulateur d'eau 12 L
Echangeur de chaleur de...
Jeu de passe-câbles
Plastron arrière
Serre câble (10 pièces)
Tôle de recouvrement arrière
Tôle déflecteur d'air pour...
Verre de viseur
Boîte de fumées WHKA
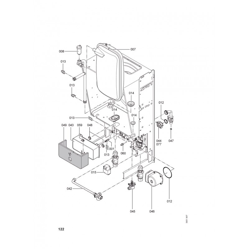
Bride de raccordement
Brûleur NP
Câble de raccord....
Câble de raccordement...
Câble d'ionisation avec...
Câbles de raccordement...
Caisson interne WHKA
Capteur Reed à confectionner
Chauffage d'appoint...
Faisceau de câbles X8/X9/terre
Fiche de codage 20AC:0101
Jeu de pieces de fixation
Kit adaptateur fiche plate
Kit de pièces de blocage
Kit fixation de câble
Manchette de raccordement...
Nourrice gaz GN E 14 segments
Nourrice GN LL 14-Elements
Nourrice propane 14 éléments
Pince (10 pièces)
Plaque de protection
Porte fusible 6,3 AT
Protection
Tube d'alimentation gaz
Tube de compensation
Tube de raccordement WW
Support L=480
Volet S2 L=480