Manomètre avec capillaire...
Electrode d'allumage
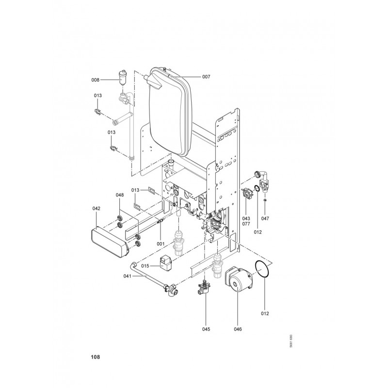
Moteur de pompe VI...
Bloc combiné gaz Sit Sigma 845
Echangeur sanitaire à plaques
Clips de fixation (2...
Sonde de température
Charnière (10 pièces)
Kit joints PWT
Détecteur de débit
Moteur linéaire pas à pas
Electrode d'ionisation
Sonde temp. de fumée NTC...
Bloquage régulation...
Kit joints torique 20,63 x...
Bombe aérosol de peinture,...
Crayon pour retouches, blanc
Porte manomètre
Sachet de joints
Isolation avant chambre de...
Sécurité contrôleur de...
Platine d'adaptation module...
Vitotronic 200 Ho1 Sans...
Contre fiche
Régulation GG2 cheminée
Isolation arrière chambre...
Isolation latérale chambre...
Tôle Avant Wh2A/Whka
Plastron arrière
Serre câble (10 pièces)
Verre de viseur
Brûleur BNOX 12 rampes
Câble de raccord....
Câble de raccordement...
Câble d'ionisation avec...
Cadre Accroche-Flamme
Capteur Reed à confectionner
Chauffage d'appoint...
Echangeur de chaleur fumées...
Faisceau de câbles
Fiche de codage 20C7:0101
Fiche plate
Jeu de pieces de fixation
Kit de pièces de blocage
Nourrice cheminée 24kW Gas...
Pince (10 pièces)
Plaque de protection
Porte fusible 6,3 AT
Protection
Raccordement échangeur
Régulateur d'eau 6 L
Tube d'alimentation gaz
Support L=480
Volet S2 L=480