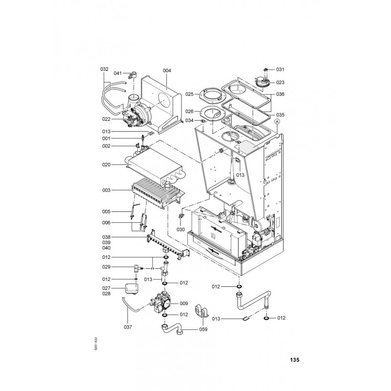
Pressostat 40 Pa
Manomètre avec capillaire...
Pressostat gaz nat E
Moteur de pompe VI...
Kit fermeture (2pcs)
Bloc combiné gaz Sit Sigma 845
Régulation GG2 ventouse
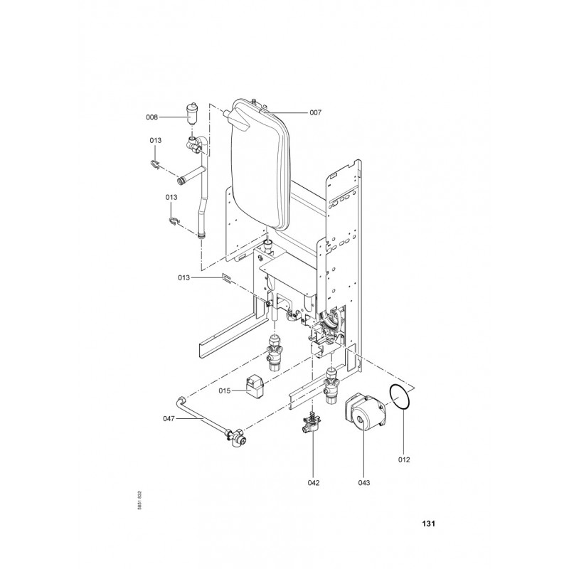
Clips de fixation (2...
Sonde de température
Charnière (10 pièces)
Moteur linéaire pas à pas
Kit écrous à clipser (2x)
Bloquage régulation...
Bombe aérosol de peinture,...
Crayon pour retouches, blanc
Porte manomètre
Sachet de joints
Pressostat propane
Kit flexible de liaison
Platine d'adaptation module...
Isolation avant chambre...
Vitotronic 200 Ho1 Sans...
Contre fiche
Isolation arrière chambre...
Isolation latérale chambre...
Isolant flexible
Tôle Avant Whea
Joint profilé pour Vitopend
Joint bride de raccordement...
Joint capot tôle arrière (1...
Echangeur de chaleur fumées...
Jeu de passe-câbles
Plastron arrière
Serre câble (10 pièces)
Tôle de recouvrement arrière
Tôle déflecteur d'air pour...
Verre de viseur
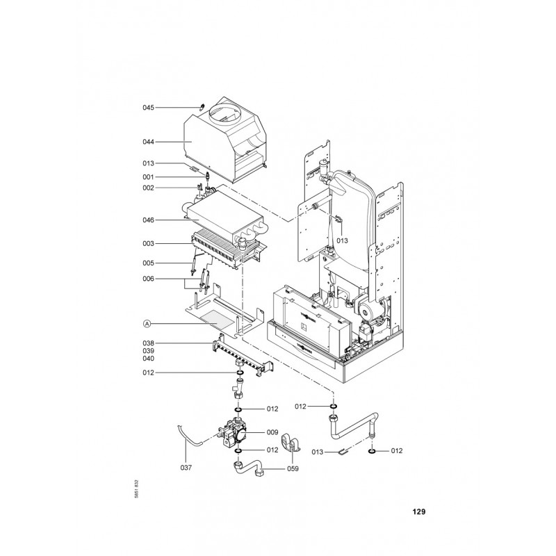
Boîte de fumées Vitopend 100
Bride de raccordement
Brûleur NP 12 segments
Câble de raccord....
Câble de raccordement...
Câble d'ionisation avec...
Câbles de raccordement...
Caisson interne Vitopend 100
Chauffage d'appoint...
Faisceau de câbles X8/X9/terre
Fiche de codage 20AA:0101
Jeu de pieces de fixation
Kit adaptateur fiche plate
Kit de pièces de blocage
Kit de transform. WHEA...
Kit fixation de câble
Manchette de raccordement...
Nourrice gaz nat
Nourrice Gaz Nat L
Nourrice Propane
Pince (10 pièces)
Plaque de protection
Porte fusible 6,3 AT
Protection
Tube d'alimentation gaz
Tube de compensation
Cornière support L=450