

Les chaudières ne sont pas encore en vente sur notre site.
Vous pouvez toutefois consulter les pièces détachées relatives à cette chaudière dans la liste ci-dessous
arrow_downward
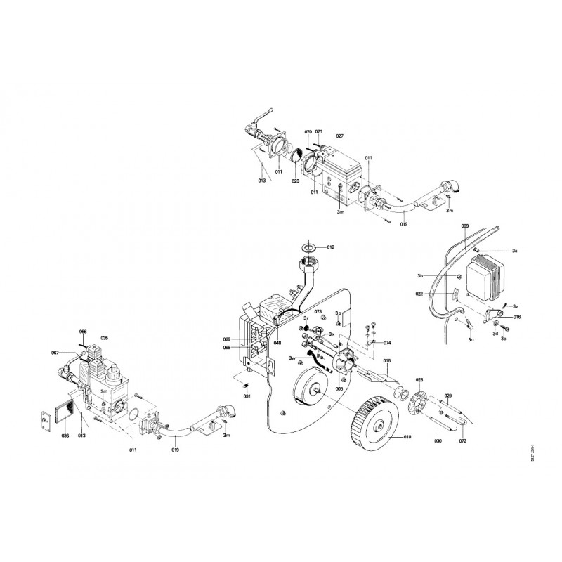
Dans cette fiche produit Viessmannexpress vous trouverez le détail de la chaudière Viessmann Unit-Gasbrenner Vitola BRA29 faisant partie de la famille Brûleurs gaz et correspondant à la référence du fabricant Viessmann n° 7218560
Les chaudières ne sont pas encore en vente sur notre site.
Vous pouvez toutefois consulter les pièces détachées relatives à la chaudière 7218560 et les commander par carte bancaire ou via Paypal sur notre site www.viessmannexpress.com.
Les transactions sont sécurisées par notre banque BNP Paribas.
Pour commander en ligne, il vous suffit d’ouvrir un compte particulier ou professionnel si vous êtes chauffagiste.
Le compte professionnel vous permet de bénéficier de tarifs préférentiels. Nous expédions en 24h chrono (commande passée avant 13h) partout en France moyennant 10 euros HT de participation aux frais de transport.
La livraison est offerte à partir de 150 euros HT (180 euros TTC) Une question ? Appelez-nous au 01 46 01 51 53