Fusible T 4,0A/250V (10...
Connecteur enfichable 40 (3...
Connecteur enfichable 150
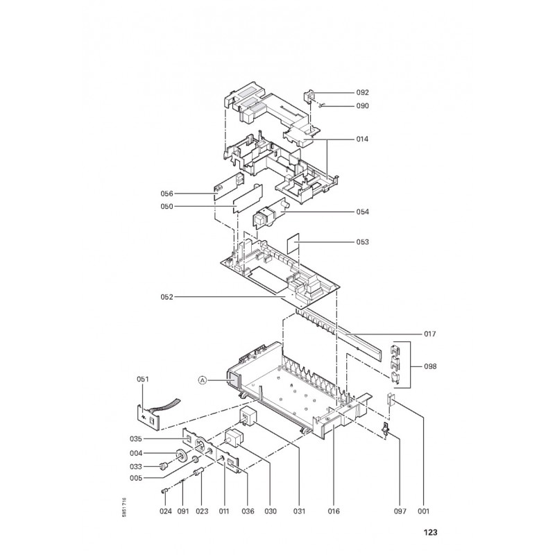
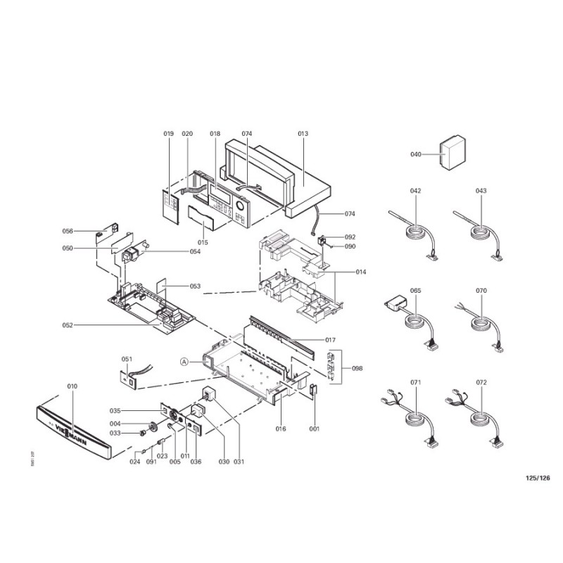
Platine G-LP2 Vitotronic...
Sonde chaudière Vitotronic
Kit de fixations cables...
Bouchon du porte-fusible -...
Interrupteur 2 pôles
Platine Optolink KW2/KW3 -...
Collier pour câble
Porte fusible Vitotronic
Câble alimentation brûleur...
Nappe de câbles sélec....
Anneau butée
Bas de module de commande...
Bouchon gris
Cache frontal Vitotronic...
Couvercle supér. Vitotronic...
Socle de base pour Vitotronic
Touche à bascule
Cache platine Vitotronic
Clapet Vitotronic
Fiche N° 40
Pièces fixations régulation...
Plaque frontale Vitotronic...
Plastron arrière
Pochette serre-câbles/fiches
Pochette vis de fixation
Platine électronique,...
Fiches N° 41,90,151,191
Bouton pour aquastat