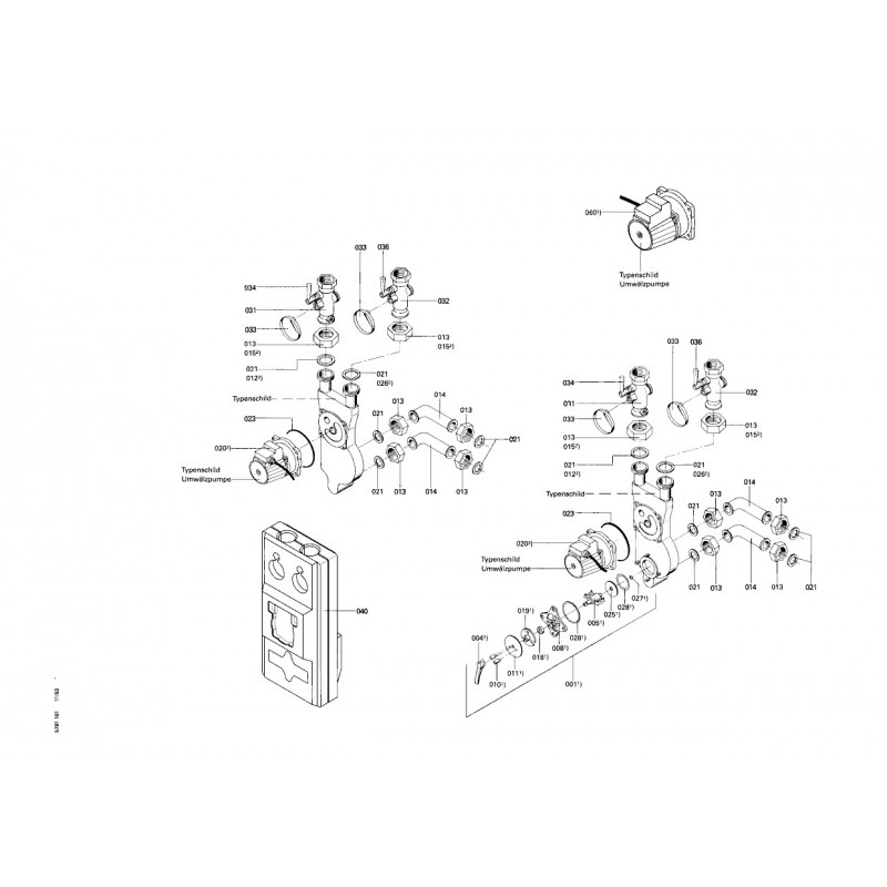
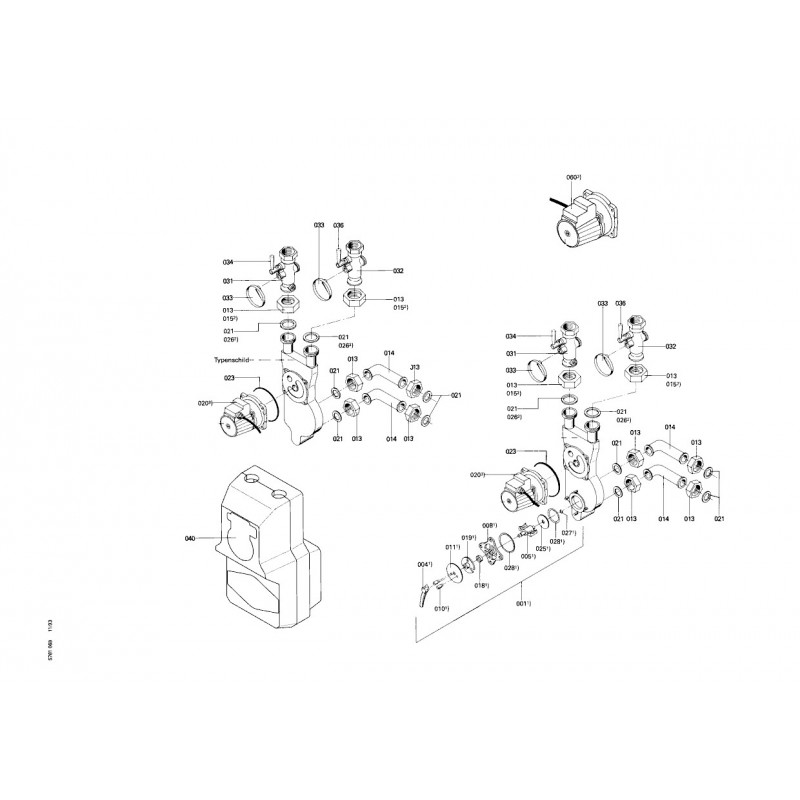
Ensemble papillon de vanne...
Joint torique pompe (1 pompe)
Thermomètre à aiguille bimétal
Circulateur Wilo 6-3 -...
Joint torique vanne mélang....
Joint d'étanchéité R1 G1 1/2
Levier ( Bleu )
Demi union G 1½"
Levier ( Rouge )
Boisseau vanne 4-voies DN25
Vanne R1" avec clapet
Accessoires pompe
Anneau 7,2 X 1
Couvercle de vanne...
Disque Recouvrement Vannes...
Demi union 1½" - R 2"
Plaque graduée DN 20/25 (4...
Vis sans tête à téton M6X10
Rondelle DN25 D=37,95