Call us:
01 46 01 51 53
Language:
English
Français
English
Bienvenue
Sign in
0
Cart
Nos pièces détachées
nos engagements
Contact
Search
home
Chaudières
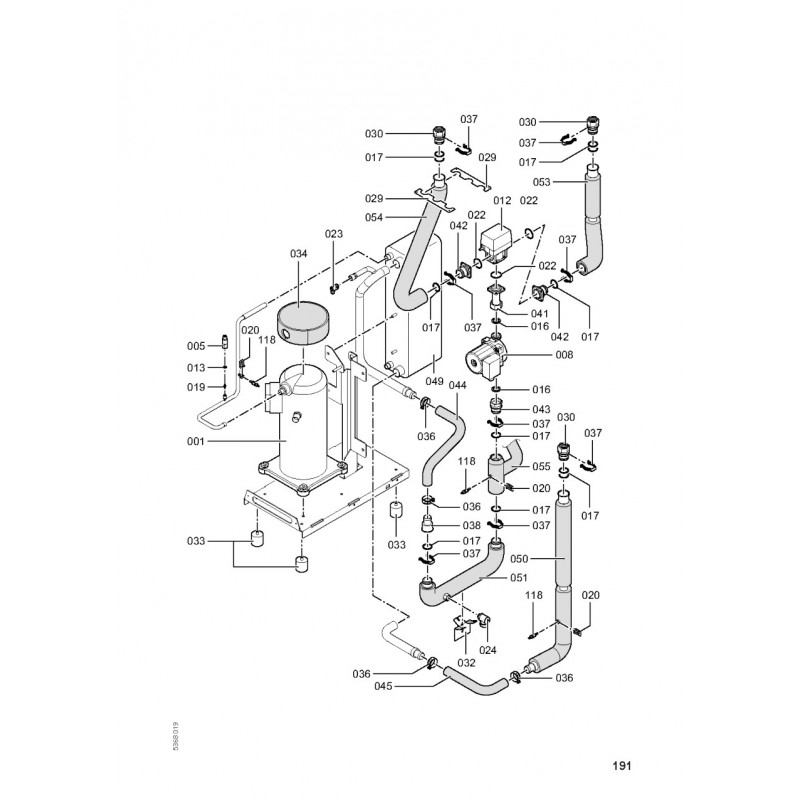
Corps Vitocal 300-G BWC 106
Corps Vitocal 300-G BWC 106
Reference
7417793
Share
Tweet
Pinterest
print
Imprimer
Description
Pièces détachées pour cette chaudière
×
×