Call us:
01 46 01 51 53
Language:
English
Français
English
Bienvenue
Sign in
0
Cart
Nos pièces détachées
nos engagements
Contact
Search
home
Chaudières
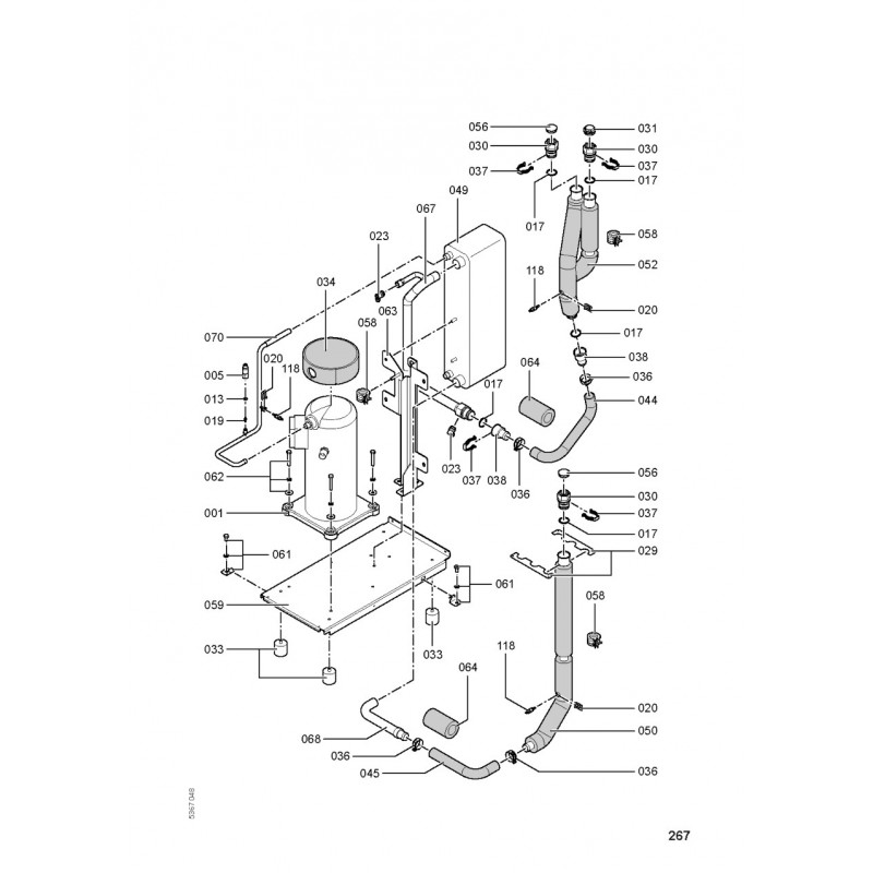
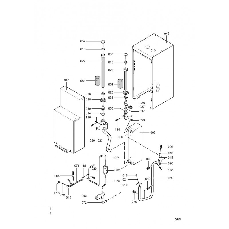
Corps Vitocal 300-G BW 108
Corps Vitocal 300-G BW 108
Reference
7353853
Share
Tweet
Pinterest
print
Imprimer
Description
Pièces détachées pour cette chaudière
×
×