Connecteur enfichable 40 (3...
Bouchon du porte-fusible -...
Interrupteur 2 pôles
Chambre de combustion
Réfractaire arrière
Réfractaire inférieur
Réfractaire porte de...
Réfractaire trappe de ramonage
Porte de remplissage
Porte de visite
Tôle de protection 18 kW
Turbine radiale avec câble
Turbulateur
Joint turbine de fumée (1...
Sonde de température...
Aquastat STB...
Bouchon gris
Trappe arrière NRC
Verre de viseur
Boîtier turbine
Bouton sphérique
Clapet régulation gaz
Crochet de blocage
Fiche N°100 ( 3 pièces )
Kit visserie FC1
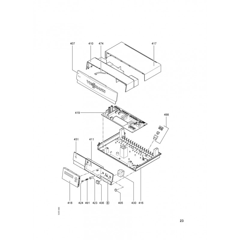
Logo Vitoligno 100
Manteau isolant
Matelas isolant avant
Matelas isolant
Module de commande 100 FC1
Module frontal...
Plastron avant NRC
Platine FC1 - Référence...
Poignée de porte
Élément d'air primaire LAC...
Rétractaire porte de visite
Socle NRC
Tige de brosse