Connecteur enfichable 40 (3...
Fusible T 2,0A/250V (10...
Vis à tête façonnée M5
Pied réglable (1 pièces)
Collier pour câble
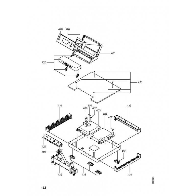
Boîtier module de commande...
Sonde de flamme Nr.19 Typ K
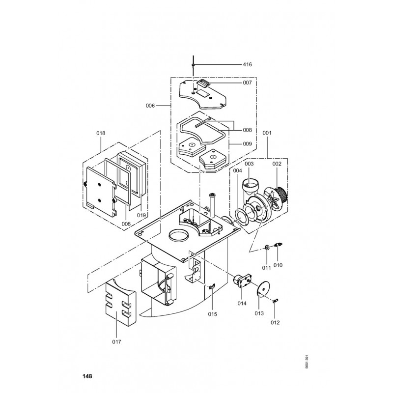
Moteur enfichable
Trappe avec joint
Joint tôle porte-grille (1...
Motoéducteur (SPG),...
Réfractaire
Réfractaire avant
Réfractaire médiant chambre...
Réfractaire porte
Réfractaire supérieur...
Porte foyère
porte récupérateur cendre
Tôle avant Vitoligno 300-P
Tôle latérale droite
Tôle supérieure avant
Trappe arrière cendrier
Trappe avant cendrier
Trappe de visite supérieure
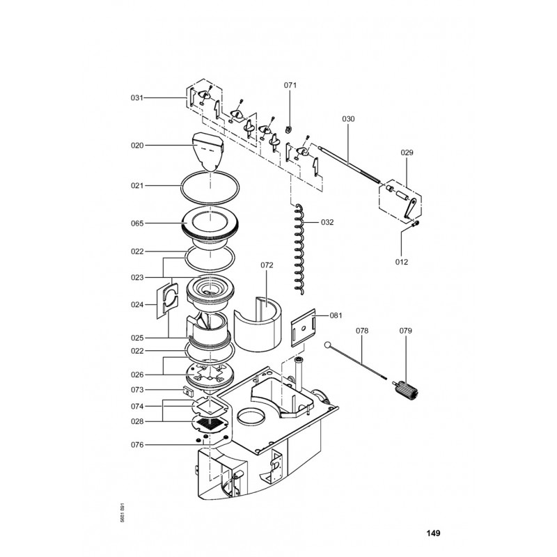
Turbulateur
Joint (1 pièce)
Joint boitier air d'allumage
Joint bride tube vis sans fin
Joint porte cendrier
Joint rond
Joint turbine de fumée (1...
Joints plats 2 pièces
Sonde de chaudière n° 3 PT500
Sonde eau chaude n° 5
Aquastat STB...
Connecteur 2 pôles X12
Elément d'allumeur...
Bombe aérosol de peinture,...
Bague isolante
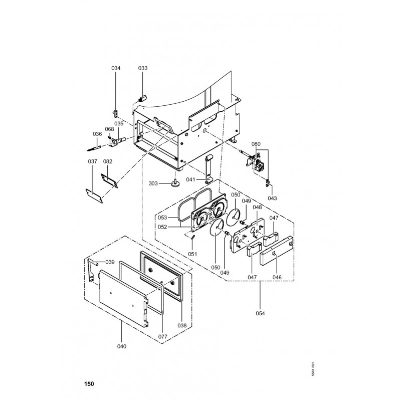
Boîtier fonte volet d'air
Brique supérieure - Logement
Levier pivotant axe de...
Cendrier arrière
Cendrier avant
Chaîne 06B-1
Charnière partie supérieure...
Collier de câbles
Contact de porte cendrier
Contrefiche 84
Contrefiche 85
Entretoises ( 3 pièces )
Faisceau de câbles clapet...
Faisceau de câbles fin de...
Faisceau de câbles n°81 grille
Fiche 151 avec pont
Fin de course avec support
Fin de course volet d'air -...
Fixation (2 pièces)
Fixation de câble auto...
Jeu de câbles interne...
Jeu de fiches 230 V...
Jeu fiches très b. tension...
Kit glissières
Mamelon isolant
Partie inférieure de...
Partie latérale avec guide...
Pièce d'écartement
Plaque réfractaire porte...
Poignée à griffe
Baguette d'angle VR1...
Protection chaine
Ventilateur radial
Ressort presseur
Rondelle de blocage
Roulement 4 pièces
Fusible G 1,6A/250V (10...
Servomoteur boitier volet...
Tendeur porte cendrier
Tige de brosse
Volet d'admission d'air
Relais tempor. moteur...
Vis sans fin
Brosse de nettoyage D=51x100
Joint Cerame 9 X 7 L = 2000