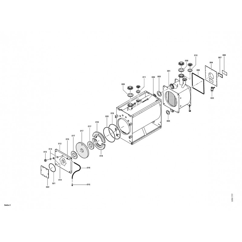
Verre de regard avec joints
Ecrou laiton pour viseur de...
Manchon pour flexible 1/4"
Fiche de codage 1041
Syphon anti-odeur
Tôle arrière supérieure CR3
Joint DN 125 ND6
Joint Dn 80 Nd 6
Joint Dn50
Bombe aérosol de peinture,...
Bloc réfractaire
Cornière arrière droite
Couvercle
Couvercle tube de fumée CR3...
Cornière arrière gauche...
Equerre avant droite CR3
Equerre avant gauche...
Equerre médiane Vitocrossal
Logo "Vitocrossal 300"
Matelas isolant CR3
Plastron
Baguette d'angle VR1...
Sachet Montage Isolation...
Serre câble (2 logements)
Tube plastique 800 mm
Bande Vitorange (1 rouleau...
Joint céram GF D=25 L=3000...
Jeu de joints
Joint avec colle