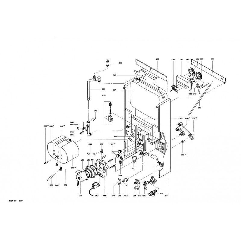
Fusible T 4,0A/250V (10...
Vanne 3 voies sans bobine
Joint torique pompe (1 pompe)
Turbine
Platine commande de brûleur
Sonde de température
Unité allumage DCZ 2/24
Câble de raccordement turbine
Bloc gaz GB055 S20 NG+GW
Soupape de sécurité
Sécurité manque d'eau
Pressostat 40 PA
Graisse pour joint (6g)
Electrode d'ionisation
Electrodes d'allumage
Bouchons M16x1,5
Moteur de circulateur UP...
Pochette joints Pendola
Vis à tête façonnée M5
Ressort
Plaque de mica pour viseur...
Verre de Viseur de Flamme...
Graisse de contact P12
Sonde ECS
Isolant Arriere Brûleur
Isolation latérale chambre...
Tôle Avant
Tôle de Recouvrement
Tôle droite fixation brûleur
Tôle gauche fixation brûleur
Fusible T 2,5A/250V (10...
Trappe de Fermeture -...
Joint profilé (1 pièce)
Sonde de Temperature -...
Thermoswitch - Référence...
Thermo-switch - Référence...
Bague de Fixation 43 X 25 X...
Bouchon de vidange G 3/8
Chambre de Combustion
Couvercle de Chambre de...
Fermeture
Support mural WB2A 24/32kW
Flexible de vidange
Kit clips de sureté
Kit de transformation...
Limiteur de debit 8,41
Logo Pendola
Logo Viessmann Pendola
Manchon de passage (1 jeu)
Nourrice gaz
Robinet de vidange et de...
Support Pressostats
Verre de viseur de flamme
Module de Raccordement Interne
Transformateur
Tube de raccordement brûleur
Tube Raccordement