Fusible T 4,0A/250V (10...
Coupe-tirage
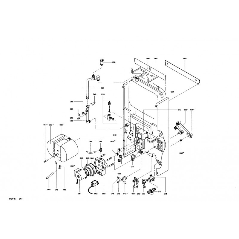
Vanne 3 voies sans bobine
Joint torique pompe (1 pompe)
Sonde de température
Unité allumage DCZ 2/24
Soupape de sécurité
Sécurité manque d'eau
Graisse pour joint (6g)
Electrode d'ionisation
Electrodes d'allumage
Moteur de circulateur UP...
Pochette joints Pendola
Vis à tête façonnée M5
Ressort
Plaque de mica pour viseur...
Graisse de contact P12
Sonde de température de fumée
Sonde ECS
Isolant Arriere Chambre de...
Isolant Droit/Gauche...
Tôle Avant
Tôle avant Pendola
Tôle droite fixation brûleur
Tôle gauche fixation brûleur
Tôle Support Transformateur...
Fusible T 2,5A/250V (10...
Trappe de Fermeture -...
Sonde de Temperature -...
Thermoswitch - Référence...
Thermo-switch - Référence...
Bloc combiné gaz GB055 S20 NG
Bouchon de vidange G 3/8
Collier
Fermeture
Support mural WB2A 24/32kW
Flexible de vidange
Kit clips de sureté
Logo Pendola
Logo Viessmann Pendola
Nourrice gaz
Robinet de vidange et de...
Tige de Fermeture
Verre de viseur de flamme
Module de Raccordement Interne
Transformateur
Tube de raccordement brûleur
Tube Raccordement