Fusible T 4,0A/250V (10...
Vanne 3 voies sans bobine
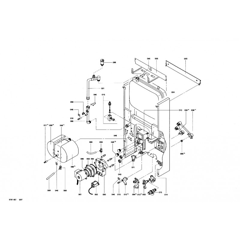
Joint torique pompe (1 pompe)
Unité allumage DCZ 2/24
Soupape de sécurité
Graisse pour joint (6g)
Sonde de température
Electrode d'ionisation
Electrodes d'allumage
Moteur de circulateur UP...
Pochette joints Pendola
Coupe-tirage 24 kW
Plaque de mica pour viseur...
Graisse de contact P12
Sonde de température de fumée
Sonde ECS
Isolant Arriere Chambre de...
Isolant Droit/Gauche...
Tôle Avant
Tôle droite fixation brûleur
Tôle gauche fixation brûleur
Fusible T 2,5A/250V (10...
Trappe de Fermeture -...
Thermoswitch - Référence...
Thermo-switch - Référence...
Bloc combiné gaz GB055 S20 NG
Bouchon de vidange G 3/8
Bouchon pour Pendola
Collier
Faisceau de câbles Pendola 2
Fermeture
Support mural WB2A 24/32kW
Flexible de vidange
Kit clips de sureté
Logo Pendola
Logo Viessmann Pendola
Nourrice gaz
Robinet de vidange et de...
Verre de viseur de flamme
Module de Raccordement Interne
Transformateur
Tube de raccordement brûleur