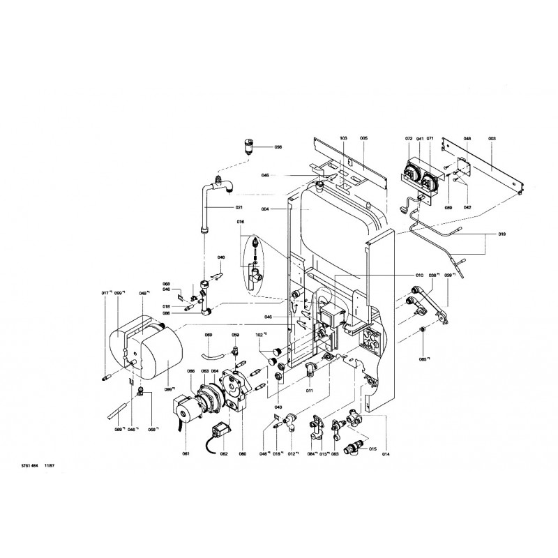
Fusible T 4,0A/250V (10...
Vanne 3 voies sans bobine
Joint torique pompe (1 pompe)
Turbine
Platine commande de brûleur
Unité allumage DCZ 2/24
Câble de raccordement turbine
Bloc gaz GB055 S20 NG+GW
Conduite de liaison P1/P2
Soupape de sécurité
Pressostat 40 PA
Graisse pour joint (6g)
Sonde de température
Electrode d'ionisation
Electrodes d'allumage
Bouchons M16x1,5
Moteur de circulateur UP...
Pochette joints Pendola
Echangeur primaire de Pendola
Vis à tête façonnée M5
Ressort
Plaque de mica pour viseur...
Verre de Viseur de Flamme...
Graisse de contact P12
Sonde ECS
Isolant Arriere Brûleur
Isolation latérale chambre...
Tôle avant Pendola
Tôle de Recouvrement
Tôle droite fixation brûleur
Tôle gauche fixation brûleur
Tôle Support Transformateur...
Fusible T 2,5A/250V (10...
Trappe de Fermeture -...
Joint profilé (1 pièce)
Thermoswitch - Référence...
Thermo-switch - Référence...
Bague de Fixation 43 X 25 X...
Bouchon de vidange G 3/8
Bouchon pour Pendola
Brûleur pour Pendola
Chambre de Combustion
Couvercle de Chambre de...
Diaphragme adaptateur tube...
Faisceau de câbles Pendola
Support mural WB2A 24/32kW
Flexible de vidange
conduites pressostat
Kit clips de sureté
Logo Pendola
Logo Viessmann Pendola
Manchon de passage (1 jeu)
Nourrice gaz
Robinet de vidange et de...
Support pressostat pendola...
Verre de viseur de flamme
Module de Raccordement Interne
Transformateur
Tube de raccordement
Tube de raccordement brûleur