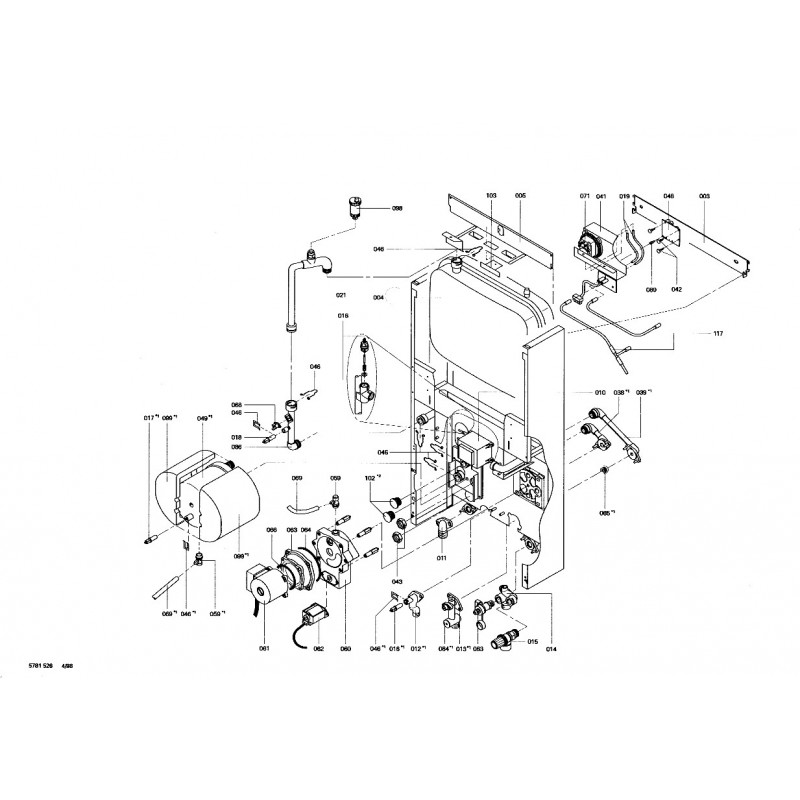
Fusible T 4,0A/250V (10...
Vanne 3 voies sans bobine
Joint torique pompe (1 pompe)
Turbine
Platine commande de brûleur
Sonde de température
Unité allumage DCZ 2/24
Bloc gaz GB055 S20 NG+GW
Conduite de liaison P1/P2
Soupape de sécurité
Sécurité manque d'eau
Pressostat 40 PA
Graisse pour joint (6g)
Electrode d'ionisation
Electrodes d'allumage
Bouchons M16x1,5
Moteur de circulateur UP...
Pochette joints Pendola
Echangeur primaire de Pendola
Boîtier de commande brûleur
Vis à tête façonnée M5
Ressort
Plaque de mica pour viseur...
Verre de Viseur de Flamme...
Graisse de contact P12
Sonde ECS
Isolant Arriere Brûleur
Isolation latérale chambre...
Tôle avant Pendola
Tôle de Recouvrement
Tôle droite fixation brûleur
Tôle gauche fixation brûleur
Tôle Support Transformateur...
Fusible T 2,5A/250V (10...
Trappe de Fermeture -...
Joint profilé (1 pièce)
Pressostat 140 Pa Pendola
Thermoswitch - Référence...
Thermo-switch - Référence...
Bague de Fixation 43 X 25 X...
Bouchon de vidange G 3/8
Brûleur pour Pendola
Chambre de Combustion
Couvercle de Chambre de...
Diaphragme adaptateur tube...
Support mural WB2A 24/32kW
Flexible de vidange
conduites pressostat
Kit clips de sureté
Limiteur de debit 8,41
Logo Pendola
Logo Viessmann Pendola
Manchon de passage (1 jeu)
Nourrice gaz
Robinet de vidange et de...
Support pressostat pendola...
Tige de Fermeture
Verre de viseur de flamme
Module de Raccordement Interne
Transformateur
Tube de raccordement
Tube de raccordement brûleur
Tube Raccordement