Protection plastique...
Turbine
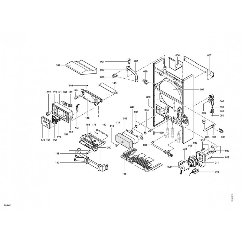
Transformateur 230V WB2A-44/60
Interrupteur à bascule
Interrupteur Vitodens M/A
Unité allumage DCZ 2/24
Platine adaptation affichage
Sonde température avec NTC
Isolation avant chambre...
Isolation latérale chambre...
Bloc combiné gaz
Echangeur à plaques SPWT10-11
Contrôleur de débit
Platine Optolink
Graisse pour joint (6g)
Sonde de température
Bouchons M16x1,5
Moteur de circulateur UP...
Vanne de décharge avec...
Bloquage régulation...
Fermeture à poussoir trappe...
Graisse de contact P12
Diaphragme adaptateur tube...
Flexible de raccordement (x1)
Manchette inférieure de...
Tôle de sécurité...
Module température constant
Entretoise M6 x 70
Isolation arrière de...
Isolation d'échangeur de...
Tôle avant Vitopend 100
Joint profilé 11 x 930 (1...
Joint plat (1 pièce)
Joint profilé (1 pièce)
Câble plat 26 pôles
Capteur de débit (contact...
Thermo-switch - Référence...
Collier de serrage
Pont Enfichable Ionisation
Tôle de fixation vase...
Tube de raccordement vase...
Verre de viseur
Boite de Fumees Pour Rexola
Bouchon (2 pièces)
Boutons module standard (3...
Bride de Raccordement 0600...
Brûleur NP
Câble moteur turbine
Cache régulation Vitodens
Cadre Chambre de Combustion
Capot interne Vitopend 100...
Contre fiche régulation
Couvercle chambre de...
Couvercle pour potentiomètre
Crépine
Echang. de chaleur de...
Faisceau de 12 Câbles
Faisceau de câbles X11
Faisceau de câbles X13
Fixation turbine Vitopend
Support mural WB2A 24/32kW
Jeu de passe-câbles
Kit de sureté pour fiches
Kit de transformation gaz...
Mamelon de raccordement
Plaque d'entrée de câbles
Raccord court circuits (1 kit)
Support
Support manomètre...
Tube de compensation
Tube de raccordement
Tube de raccordement gaz