Bride pour pompe double
Joints A 86 x 76 x 2
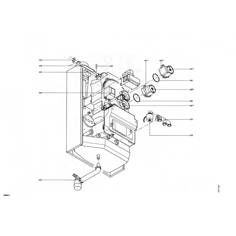
Bloc combiné gaz 1/2"
Interrupteur à bascule
Unité allumage DCZ 2/24
Electrodes d'allumage et...
Platine VR 20
Joint graphite (1 pièce)
Tube Souple Dn 70
Moteur circulateur 4-3 -...
Platine Optolink Vitodens 300
Boîtier de contrôle...
Ventilateur 24 V WB3
Pressostat air
Sonde de température
Isolant avec colle
Joint électrode MatriX (1...
Joint Turbine Pour Eurola-Cb
Câble D'Allumage
Joint R 1/2" vanne mél. 3+4...
Graisse de contact P12
Conduit de commande
Vis pour clipsage tôle...
Manomètre axial 0-4 bars
Nappe de 26 Câbles
Transformateur
Collier pour câble
Platine adaptatrice WB3
Platine relais WB3
Nappe de 34 Câbles
Interrupteur alimentation...
Tôle de sécurité...
Collier de serrage 60-80
Vis de fermeture (2 pièces)
Siphon Vitodens 300
Joint torique 32,5 - 3,0
Thermo-switch - Référence...
Pont Enfichable Ionisation
Bloc de Raccordement
Couvercle pour potentiomètre
Faisceau de 11 Câbles
Faisceau de Câbles X12
Fiche A Ressort - Référence...
Gaine de passage DG29/18
Jeux de fiches pour Vitodens
Module 4 Allures
Module Bus Km - Référence...
Ouverture Calibree Air...
Ouverture Calibree Gaz Nat Ll
Ouverture Calibree Gaz Nat. E
Petit collecteur
Raccord à clapet 3/8 pour...
Raccord A Clapet Male 1/2"...
Support WB3
Vis de calage M8x40 montage...
Anneau isolant avec colle