Joint grille brûleur
Joint de brûleur (1 pièce)
Protection plastique...
Electrode d'ionisation
Interrupteur à bascule
Interrupteur Vitodens M/A
Unité allumage DCZ 2/24
Bloc combiné gaz CGS71 D...
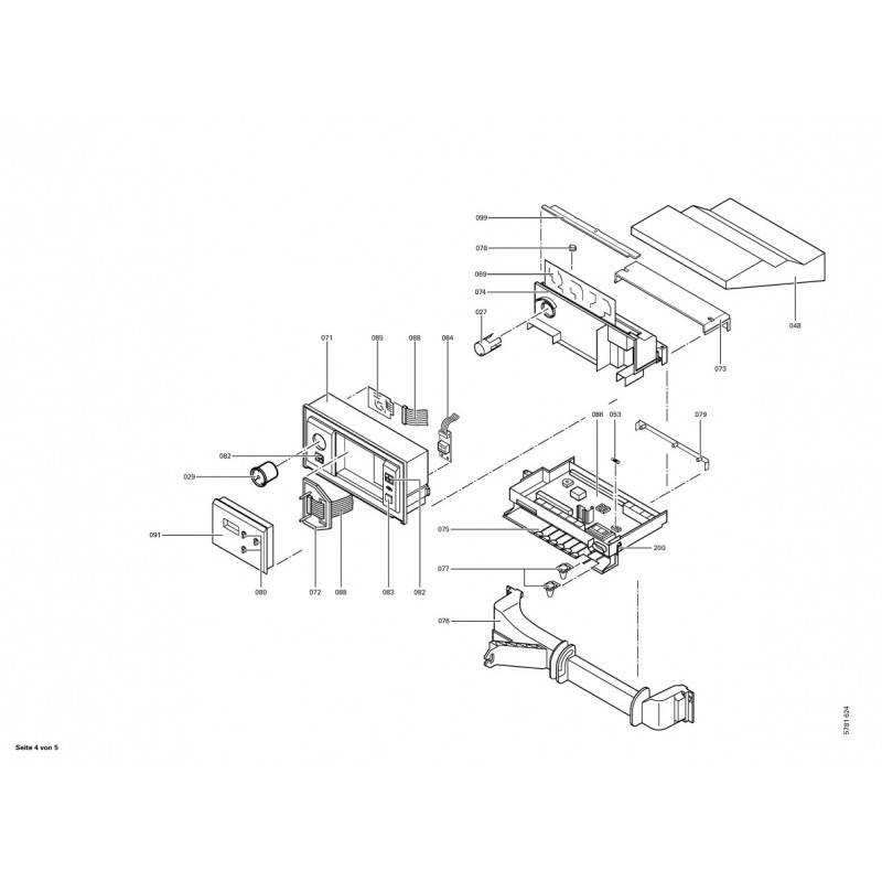
Platine adaptation affichage
Sonde température avec NTC
Pompe (GF) VIUPE-60 KM...
Echangeur à plaques SPWT10-11
Contrôleur de débit
Jeu de petits accessoires...
Turbine radiale RLS154...
Platine Optolink
Graisse pour joint (6g)
Electrode d'allumage 11/32...
Sonde de température
Bloquage régulation...
Graisse de contact P12
Grille brûleur...
Blocage raccords rapide
Set d'outillage
Vis pour clipsage tôle...
Sureté pour fiches
Tôle de sécurité...
Module température constant
Entretoise M6 x 70
Diaphragme gaz nat 24kW
Joint torique 19,2 x 3 (5...
Joints sortie CGS71 (5 pièces)
Isolation Pwp Basis 3
Joint profilé 11 x 930 (1...
Joint plat
Joint profilé 10 X 478
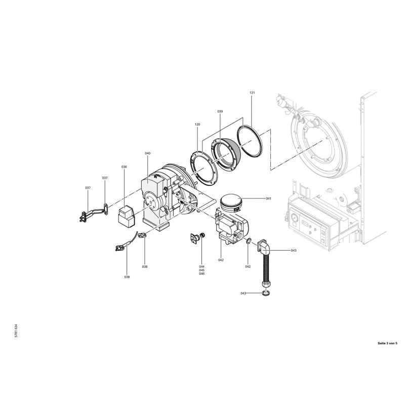
Manomètre Vitopend Vitodens...
Pressostat vanne gaz...
Câble plat 26 pôles
Capteur de débit (contact...
Cache pour platine Vr20
Thermo-switch - Référence...
Pont Enfichable Ionisation
Jeu de joints vanne 2 voies...
Boîtier module de raccordement
Bouchon (2 pièces)
Boutons module standard (3...
Cache pour module de...
Cache régulation Vitodens
Couvercle pour potentiomètre
Crépine
Faisceau de 11 câbles
Faisceau 12 Câbles
Faisceau de câbles ION/PE
Faisceau de câbles X13
Support mural WB2A 24/32kW
Flexible de condensats
Jeux de fiches pour Vitodens
Kit joints tube gaz ondulé
MAG Allonge
Mamelon de raccordement
Module de Commande Standard
Nappe 14 câbles avec...
Passe-câble
Patte de fixation -...
Plaque d'entrée de câbles
Platine LGM 29.55 A 6200
Platine Vr 20
Siphon
Support manomètre...
Tube de Raccordement Wt/ Vl