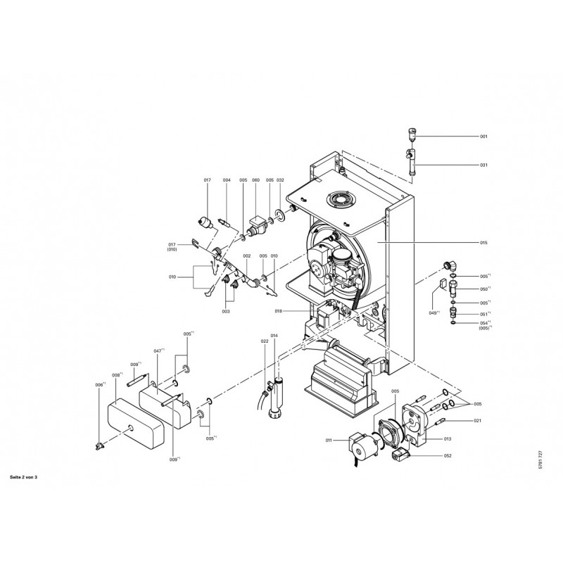
Joint grille brûleur
Joint de brûleur (1 pièce)
Protection plastique...
Electrode d'ionisation
Interrupteur à bascule
Interrupteur Vitodens M/A
Unité allumage DCZ 2/24
Platine VR 20
Bloc combiné gaz CGS71 D...
Platine adaptation affichage
Sonde température avec NTC
Pompe (GF) VIUPE-60 KM...
Echangeur à plaques SPWT10-11
Contrôleur de débit
Jeu de petits accessoires...
Turbine radiale RLS154...
Platine Optolink
Pressostat manque d'eau...
Graisse pour joint (6g)
Electrode d'allumage 11/32...
Sonde de température
Bloquage régulation...
Graisse de contact P12
Grille brûleur...
Blocage raccords rapide
Set d'outillage
Vis pour clipsage tôle...
Tôle de sécurité...
Module température constant
Entretoise M6 x 70
Diaphragme gaz nat 24kW
Joint torique 19,2 x 3 (5...
Joints sortie CGS71 (5 pièces)
Isolation Pwp Basis 3
Joint profilé 11 x 930 (1...
Joint profilé 10 X 478
Manomètre Vitopend Vitodens...
Câble plat 26 pôles
Capteur de débit (contact...
Cache pour platine Vr20
Thermo-switch - Référence...
Pont Enfichable Ionisation
Jeu de joints vanne 2 voies...
Boîtier module de raccordement
Bouchon (2 pièces)
Boutons module standard (3...
Câble ION/PE...
Cache régulation Vitodens
Clapet fermeture Vitodens GRIS
Couvercle pour potentiomètre
Faisceau de 11 câbles
Fixation murale - Référence...
Flexible de condensats
Jeux de fiches pour Vitodens
Kit joints tube gaz ondulé
Mamelon de raccordement
Passe-câble
Plaque d'entrée de câbles
Platine LGM 29.55 A 6200
Siphon
Support
Support manomètre...
Té pour vase d'expansion WB2