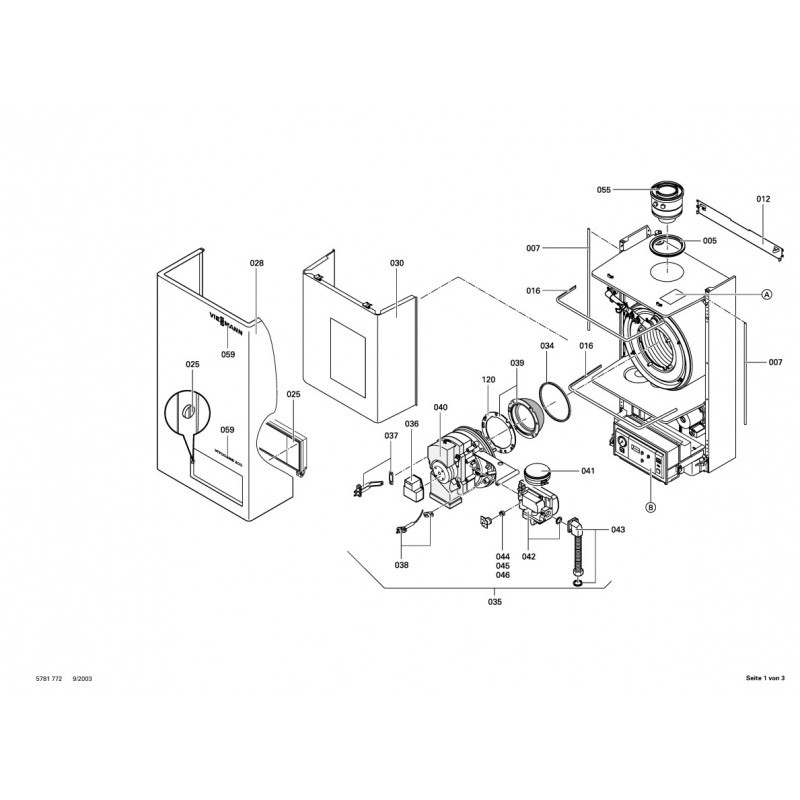
Joint grille brûleur
Joint de brûleur (1 pièce)
Protection plastique...
Electrode d'ionisation
Interrupteur à bascule
Interrupteur Vitodens M/A
Unité allumage DCZ 2/24
Platine VR 20
Bloc combiné gaz CGS71 D...
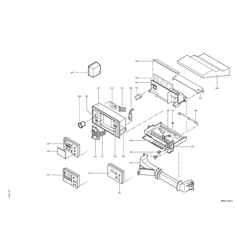
Platine adaptation affichage
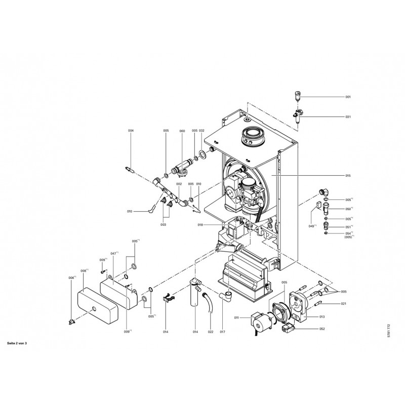
Pompe (GF) VIUPE-60 KM...
Jeu de petits accessoires...
Turbine radiale RLS154...
Platine Optolink
Graisse pour joint (6g)
Electrode d'allumage 11/32...
Sonde de température
Vanne de décharge avec...
Syphon
Bloquage régulation...
Graisse de contact P12
Grille brûleur...
Blocage raccords rapide
Set d'outillage
Sureté pour fiches
Tôle de sécurité...
Module température constant
Faisceau de 14 câbles X14
Coude flexible siphon
Echangeur WB2 11/24kW
Entretoise M6 x 70
Diaphragme gaz nat 24kW
Joint torique 19,2 x 3 (5...
Joints sortie CGS71 (5 pièces)
Tôle avant WB2
Tôle de fermeture Vitodens 200
Joint profilé 11 x 930 (1...
Joint profilé (1 pièce)
Manomètre Vitopend Vitodens...
Câble plat 26 pôles
Cache pour platine Vr20
Thermo-switch - Référence...
Pont Enfichable Ionisation
Jeu de joints vanne 2 voies...
Bouchon (2 pièces)
Boutons module standard (3...
Cache pour module de...
Cache régulation Vitodens
Faisceau de 11 câbles
Faisceau de câbles X12
Faisceau de câbles ION/PE
Faisceau de câbles X13 UL
Support mural WB2A 24/32kW
Jeux de fiches pour Vitodens
Kit joints tube gaz ondulé
Logo "Vitodens 200"
Module de Commande Standard
Passe-câble
Patte de fixation -...
Plaque d'entrée de câbles
Platine LGM 29.55 A 6200
Support manomètre...
Té pour vase d'expansion WB2