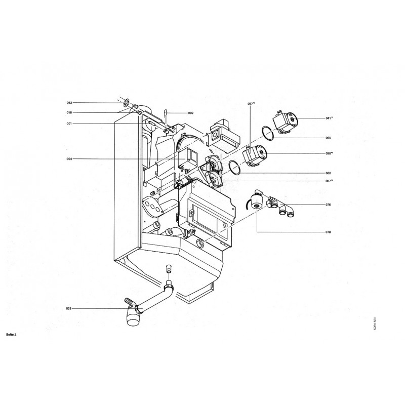
Bride pour pompe double
Joints A 86 x 76 x 2
Bloc combiné gaz 1/2"
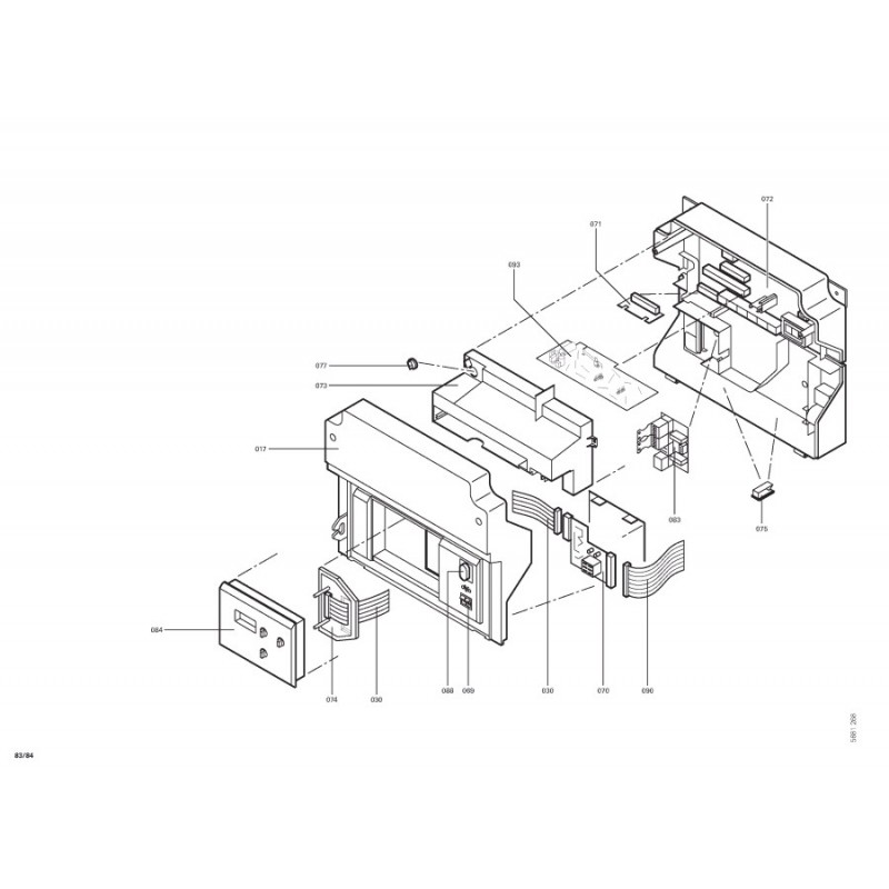
Interrupteur à bascule
Unité allumage DCZ 2/24
Electrodes d'allumage et...
Platine VR 20
Joint graphite (1 pièce)
Tube Souple Dn 70
Moteur circulateur 4-3 -...
Platine Optolink Vitodens 300
Boîtier de contrôle...
Ventilateur 24 V WB3
Pressostat air
Sonde de température
Isolant avec colle
Joint électrode MatriX (1...
Grille brûleur WB3 8-24kW...
Joint Turbine Pour Eurola-Cb
Câble D'Allumage
Joint R 1/2" vanne mél. 3+4...
Graisse de contact P12
Conduit de commande
Vis pour clipsage tôle...
Manomètre axial 0-4 bars
Nappe de 26 Câbles
Transformateur
Collier pour câble
Platine adaptatrice WB3
Platine relais WB3
Nappe de 34 Câbles
Interrupteur alimentation...
Tôle de sécurité...
Module température constant
Collier de serrage 60-80
Vis de fermeture (2 pièces)
Siphon Vitodens 300
Joint torique 32,5 - 3,0
Thermo-switch - Référence...
Pont Enfichable Ionisation
Bloc de Raccordement
Brûleur WB3 Erdgas 11-24 kW
Couvercle pour potentiomètre
Faisceau de 11 Câbles
Faisceau de Câbles X12
Faisceau de câbles X13
Fiche A Ressort - Référence...
Gaine de passage DG29/18
Jeux de fiches pour Vitodens
Ouverture Calibree Air...
Ouverture Calibree Gaz Nat Ll
Ouverture Calibree Gaz Nat. E
Petit collecteur
Raccord à clapet 3/8 pour...
Raccord A Clapet Male 1/2"...
Support WB3
Vis de calage M8x40 montage...
Anneau isolant avec colle