Joints A 86 x 76 x 2
Interrupteur à bascule
Unité allumage DCZ 2/24
Electrodes d'allumage et...
Platine VR 20
Platine opto-link -...
Joint graphite (1 pièce)
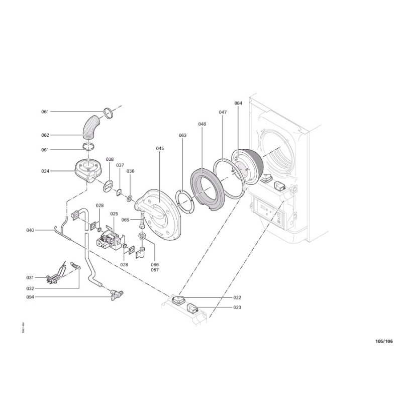
Tube Souple Dn 70
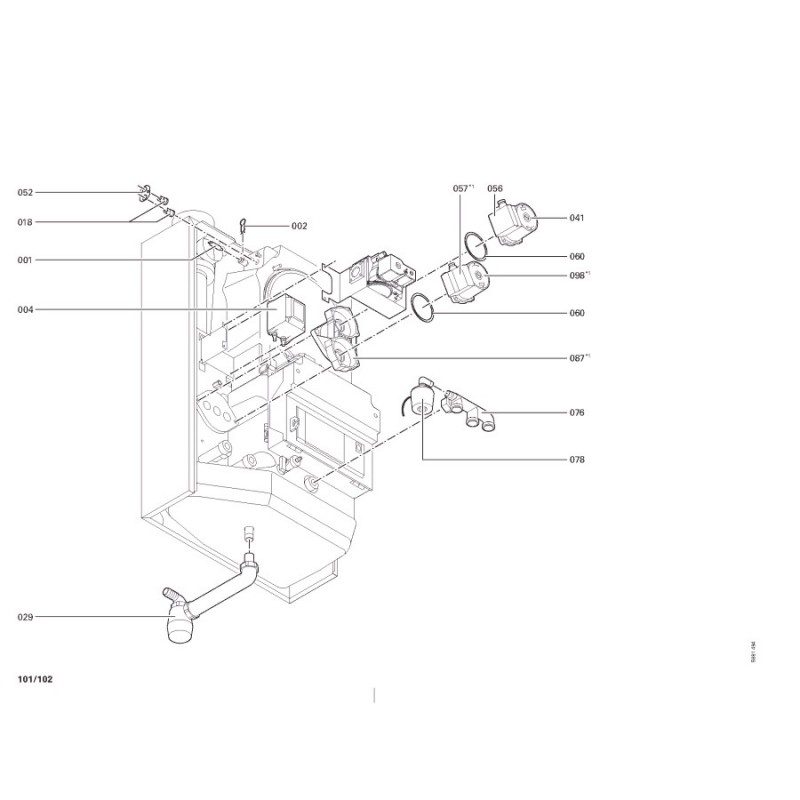
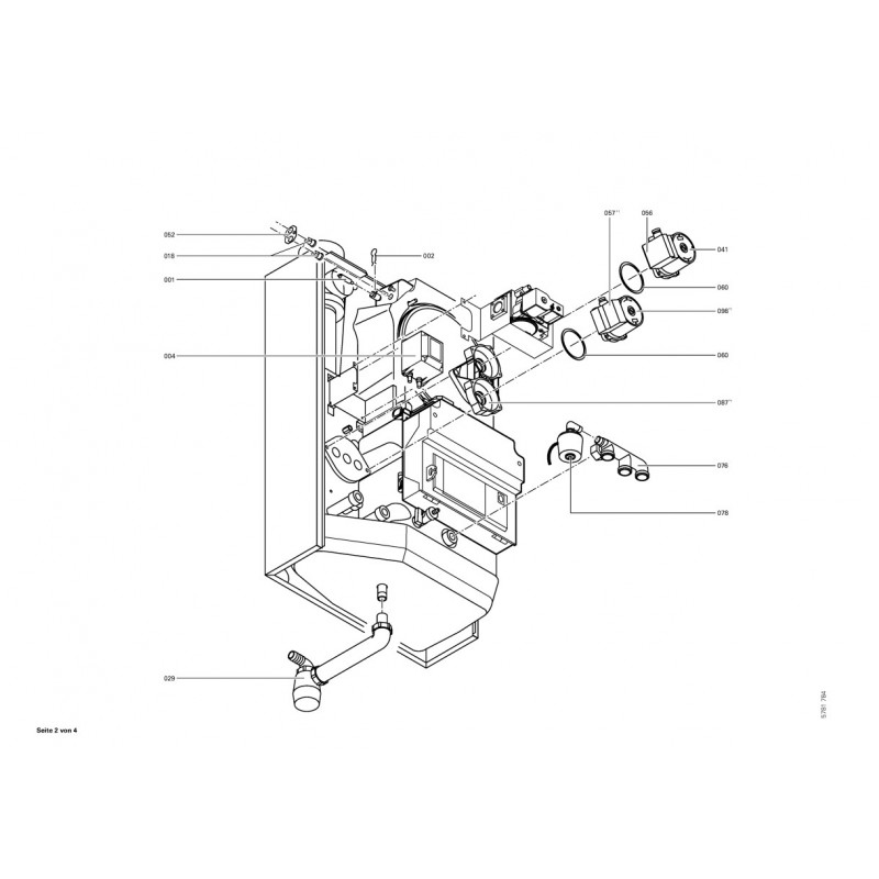
Moteur circulateur 4-3 -...
Boîtier de contrôle...
Ventilateur 24 V WB3
Pressostat air
Sonde de température
Isolant avec colle
Joint électrode MatriX (1...
Grille brûleur WB3 8-24kW...
Joint Turbine Pour Eurola-Cb
Câble D'Allumage
Joint R 1/2" vanne mél. 3+4...
Graisse de contact P12
Vis pour clipsage tôle...
Manomètre axial 0-4 bars
Nappe de 26 Câbles
Transformateur
Collier pour câble
Platine adaptatrice WB3
Platine relais WB3
Nappe de 34 Câbles
Interrupteur alimentation...
Tôle de sécurité...
Module température constant
Bloc gaz Vitodens 100/300
Bouchons pour mesure
Collier de serrage 60-80
Siphon Vitodens 300
Thermo-switch - Référence...
Pont Enfichable Ionisation
Bloc de Raccordement
Couvercle pour potentiomètre
Diaphragme Air
Faisceau de 11 Câbles
Faisceau de Câbles X12
Fiche A Ressort - Référence...
Gaine de passage DG29/18
Jeux de fiches pour Vitodens
Kit joints tube gaz ondulé
Module 4 Allures
Module de Commande Standard
Petit collecteur
Support WB3
Vis de calage M8x40 montage...
Anneau isolant avec colle