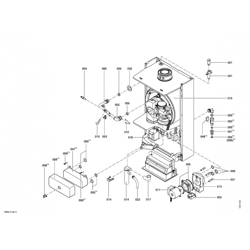
Joint grille brûleur
Joint de brûleur (1 pièce)
Protection plastique...
Electrode d'ionisation
Interrupteur à bascule
Interrupteur Vitodens M/A
Unité allumage DCZ 2/24
Platine VR 20
Bloc combiné gaz CGS71 D...
Platine adaptation affichage
Pompe (GF) VIUPE-60 KM...
Jeu de petits accessoires...
Platine Optolink
Graisse pour joint (6g)
Electrode d'allumage 11/32...
Sonde de température
Vanne de décharge avec...
Joints eau primaire/gaz
Echangeur de chaleur WB2...
Syphon
Bloquage régulation...
Fermeture à poussoir trappe...
Graisse de contact P12
Grille brûleur...
Blocage raccords rapide
Set d'outillage
Sureté pour fiches
Tôle de sécurité...
Module température constant
Faisceau de 14 câbles X14
Coude flexible siphon
Bouchons pour mesure
Entretoise M6 x 70
Joint torique 19,2 x 3 (5...
Entrée d'air Vitodens 16kW
Joints sortie CGS71 (5 pièces)
Tôle avant WB2
Tôle de fermeture Vitodens 200
Joint profilé 11 x 930 (1...
Joint gaz de combustion/air...
Joint profilé (1 pièce)
Manomètre Vitopend Vitodens...
Câble plat 26 pôles
Cache pour platine Vr20
Thermo-switch - Référence...
Pont Enfichable Ionisation
Bouchon (2 pièces)
Boutons module standard (3...
Cache pour module de...
Cache régulation Vitodens
Commutateur à bascule
Couvercle pour potentiomètre
Faisceau de 11 câbles
Faisceau de câbles X12
Faisceau de câbles ION/PE
Faisceau de câbles X13 UL
Fixation murale - Référence...
Jeux de fiches pour Vitodens
Logo "Vitodens 200"
Module de Commande Standard
Passe-câble
Patte de fixation -...
Plaque d'entrée de câbles
Platine LGM 29.55 A 6200
Support manomètre...
Té pour vase d'expansion WB2