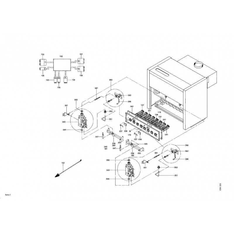
Régulateur gaz-combi 1/2"
Brûleur d'allumage
Brosse de nettoyage...
Contrefiche 6 pôles
Boîtier auxiliaire L.T.S....
Jeu de joints pour Atola
Prise pour pression gaz R 1/8
Conduite gaz AH-10-91
Electrode d'allumage
Contrefiche 7 broches
Joint torique R 1/2" Pour...
Agrafe fermeture tôle...
Réduction gaz DA 6
Brûleur cylindrique RN
Plaque de mica pour viseur...
Trappe de ramonage pour...
Joints 80 x 80 x 3 (2 pièces)
Joint pour fermeture
Vis de fixation avec bague...
Rampe brûleur
Adaptateur
Barette porte-connecteurs
Bombe rotorange RAL 2001...
Câble d'allumage...
Cadre Pour Verre de Viseur
Doigt de gant...
Flacon de peinture RAL 2001
Jeu de barres renox
Moteur KNL/KNL-W/boîte de...
Sachet avec 4 ressorts
Plaque D'Obturation D=12Mm