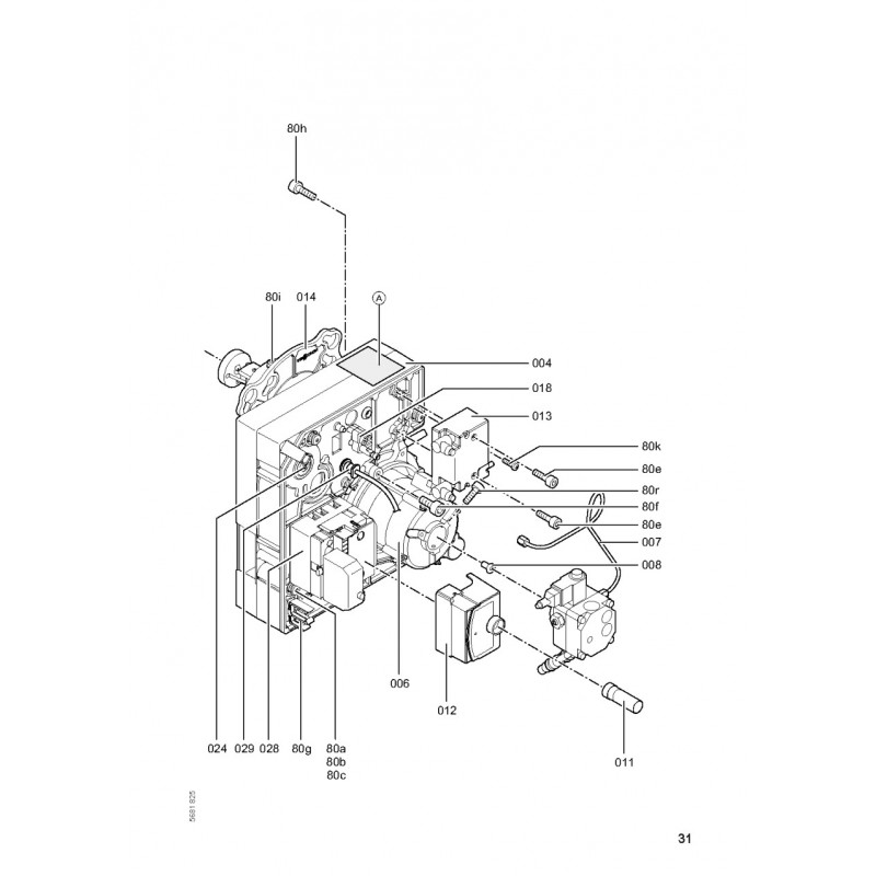
Tete de Brûleur VEM-18/22/33
Pompe fioul Suntec AL 35 C...
Bobine électrovanne...
Fixation capot brûleur
Bouchon de fermeture...
Fermeture capot brûleur
Rallonge bouton de...
Ligne gicleur
Allumeur 230VAC 100Hz
Conduite de fioul
Noyau électrovanne
Accroche-flamme brûleur fioul
Bride brûleur VEK Gr. I
Carter de Brûleur Gr.1 Vek...
Colis acc. brûleur Vitoflame
Molette de réglage gicleur VEK