Tete de Brûleur VEM-18/22/33
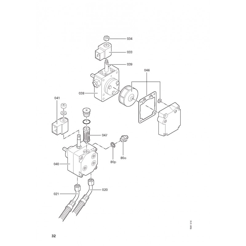
Pompe fioul Suntec AL 35 C...
Bobine électrovanne...
Fixation capot brûleur
Bouchon de fermeture...
Gicleur 0,75 GPH 45° S STEINEN
Fermeture capot brûleur
Rallonge bouton de...
Ligne gicleur
Allumeur 230VAC 100Hz
Conduite de fioul
Noyau électrovanne
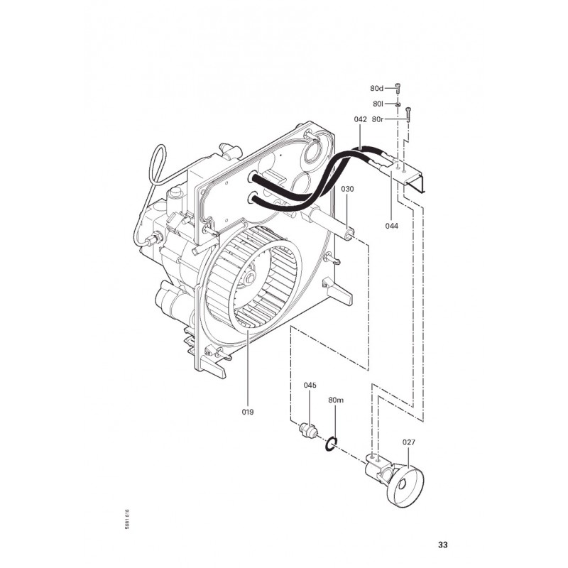
Accroche-flamme brûleur fioul
Bride brûleur VEK Gr. I
Capot brûleur...
Carter de Brûleur Gr.1 Vek...
Colis acc. brûleur Vitoflame
Matelas réfractaire avec...
Molette de réglage gicleur VEK