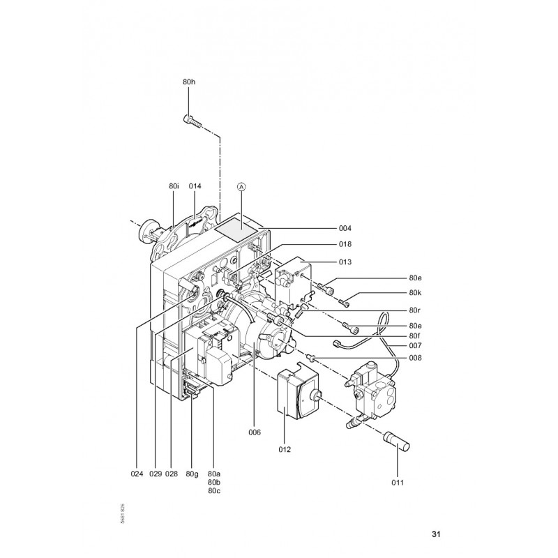
Pompe fioul Suntec AL 35 C...
Bobine électrovanne...
Transfo d'allumage...
Fixation capot brûleur
Bouchon de fermeture...
Rallonge bouton de...
Ligne gicleur
Conduite de fioul
Noyau électrovanne
Bride brûleur VEK Gr. I
Capot bruleur VEK II
Molette de réglage gicleur VEK
Tete de Brûleur VEM-40/50/63
Accroche-flamme VEC/VEM d=80