Accroche-flamme VEK avec...
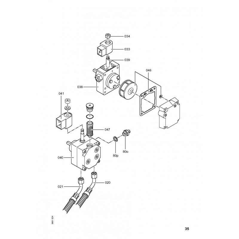
Bobine électrovanne...
Transfo d'allumage...
Tube de combustion
Bloc d'électrodes d'allumage
Joint torique diffuseur....
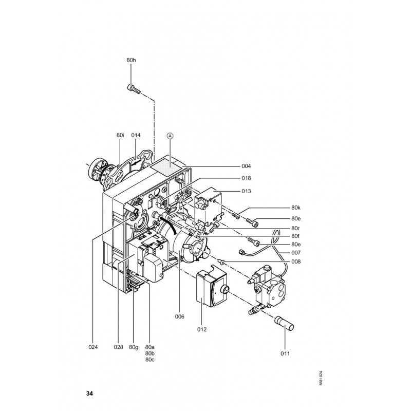
Surveillance de flamme...
Fixation capot brûleur
Gicleur 0,85 GPH 60° SR...
Rallonge bouton de...
Conduite de fioul
Noyau électrovanne
Aspiration d'air Gr.1
Bride brûleur VEK Gr. I
Diaphragme D'Aspiration...
Molette de réglage gicleur VEK
Tête de brûleur D1=86 D2=58