Accroche-flamme VEK avec...
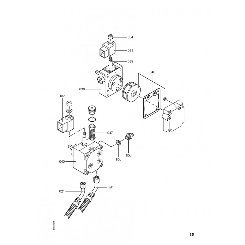
Bobine électrovanne...
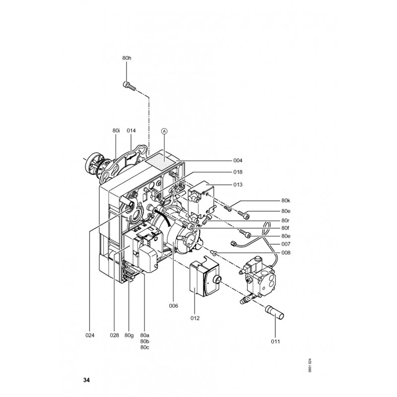
Transfo d'allumage...
Tube de combustion
Bloc d'électrodes d'allumage
Gicleur 0,60 GPH 60° HF...
Joint torique diffuseur....
Surveillance de flamme...
Fixation capot brûleur
Rallonge bouton de...
Tête de brûleur VEK Gr.1...
Conduite de fioul
Noyau électrovanne
Bride brûleur VEK Gr. I
Carter de Brûleur Gr.1 Vek...
Molette de réglage gicleur VEK