Accroche-flamme VEK avec...
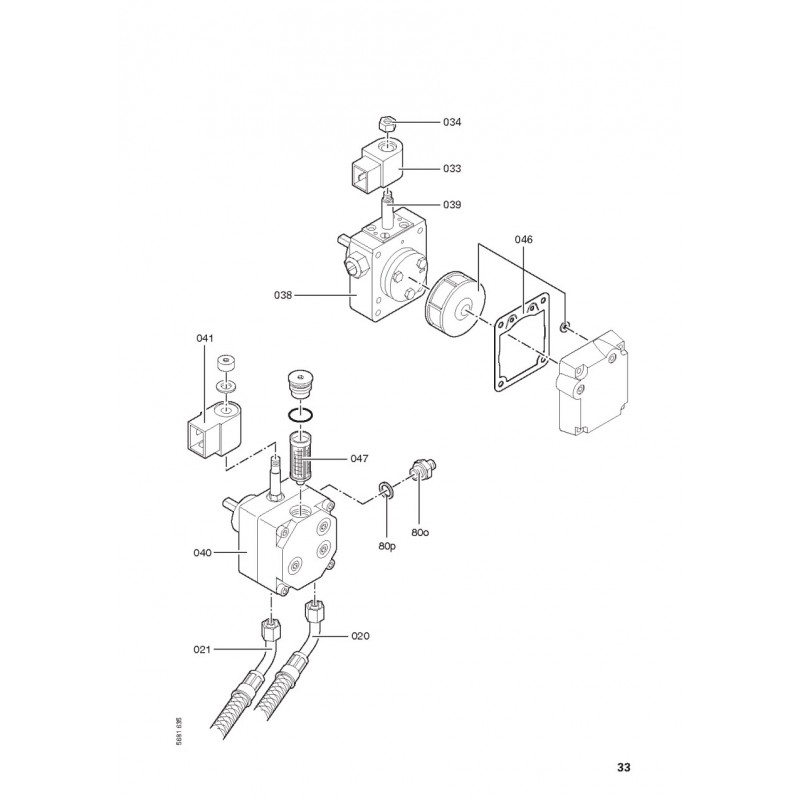
Pompe fioul Suntec AL 35 C...
Bobine électrovanne...
Transfo d'allumage...
Tube de combustion
Gicleur 0,65 Gph 60° SR...
Bloc d'électrodes d'allumage
Joint torique diffuseur....
Surveillance de flamme...
Fixation capot brûleur
Fermeture capot brûleur
Rallonge bouton de...
Conduite de fioul
Noyau électrovanne
Aspiration d'air Gr.1
Bride brûleur VEK Gr. I
Colis acc. brûleur Vitoflame
Diaphragme D'Aspiration...
Molette de réglage gicleur VEK
Tête de brûleur D1=86 D2=58