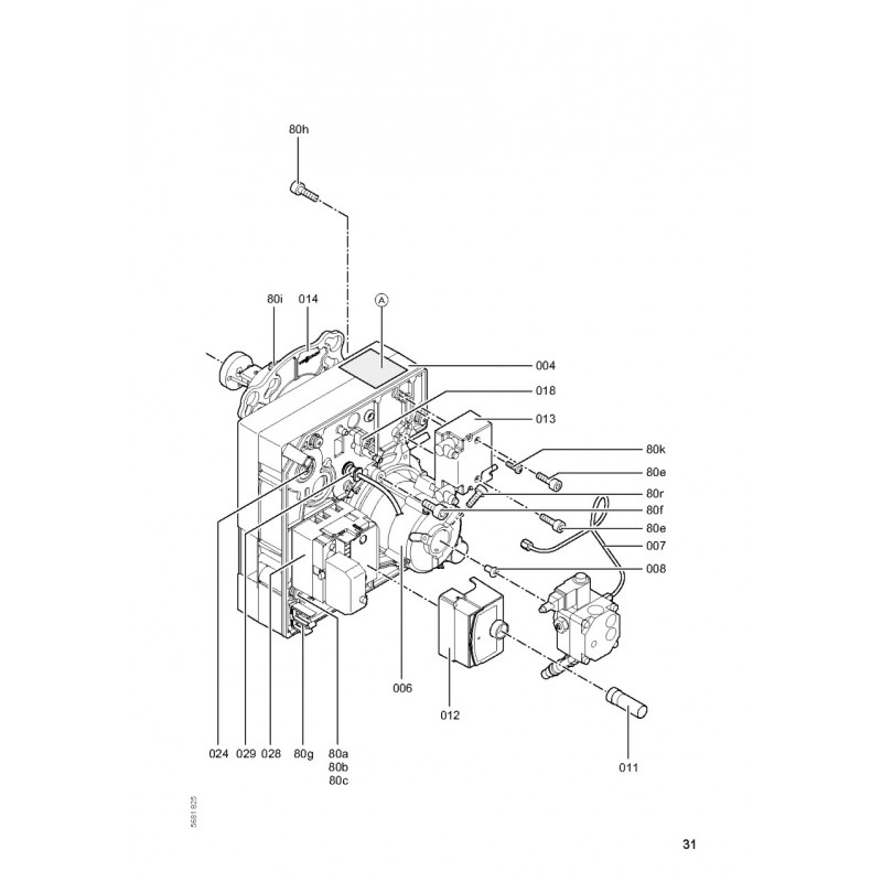
Pompe fioul Suntec AL 35 C...
Bobine électrovanne...
Fixation capot brûleur
Bouchon de fermeture...
Fermeture capot brûleur
Rallonge bouton de...
Gicleur 1,50 GPH 45° S STEINEN
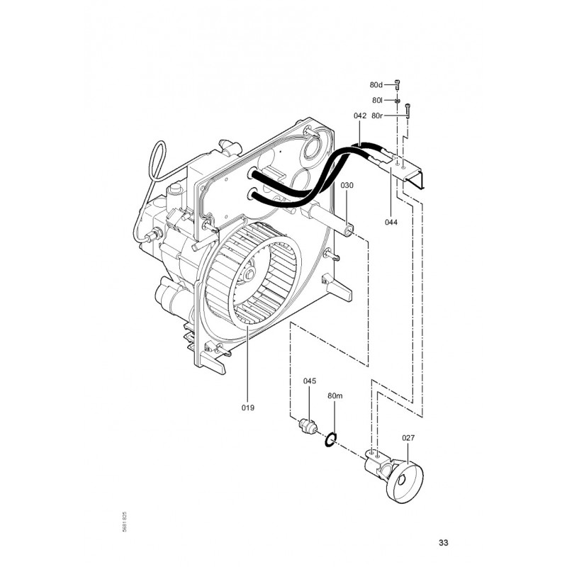
Ligne gicleur
Allumeur 230VAC 100Hz
Conduite de fioul
Noyau électrovanne
Accessoires brûleur HG
Bride brûleur VEK Gr. I
Molette de réglage gicleur VEK
Tete de Brûleur VEM-40/50/63
Volet d'admission d'air...
Accroche-flamme VEC/VEM d=80