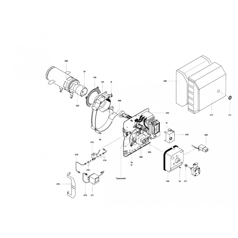
Joint cuivre R 1/4" (10...
Insert brûleur Vitola...
Préchauffage fioul
Fusible T 4,0A/250V (10...
Câble préchauffeur fioul et...
Pompe fioul Suntec AL 35 C...
Bobine électrovanne...
Mamelon pompe fioul
Boulon Fixation Ligne Gicleu
Conduites d'allumages
Accouplement VEC jusqu'à 63 kW
Conduite fioul...
Joint torique 19 x 2,5 Simrit
Gicleur 1,65 GPH 60° H...
Noyau électrovanne
Bride de raccordement Qrb
Câble de raccordement...
Colis accessoires capot...
Ecrou réglage pour brûleur
Electrovanne pour 7250572
Petits accessoires valise...
Pont enfichable 122
Pont enfichable 125
Surveillance de flamme courte
Tête de combustion VE II
Volet d'air