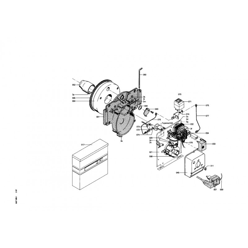
Joint cuivre R 1/4" (10...
Fusible T 4,0A/250V (10...
Tête de brûleur
Mamelon pompe fioul
Bloc isolant BV35/BV45 avec...
Accouplement VEC jusqu'à 63 kW
Préchauffage FPHB PTC 70
Conduite fioul...
pont enfichable 121
Gicleur 1,10 GPH 45° S STEINEN
Joint torique 19 x 2,5 Simrit
Clapet trou regard de flamme
Gicleur 1,35 GPH 45° S STEINEN
Bride de raccordement Qrb
Câble de raccordement...
Colis accessoires capot...
Ecrou réglage pour brûleur
Electrovanne pour 7250572
Ligne gicleur Gr. II
Petits accessoires valise...
Pont enfichable 122
Pont enfichable 125
Surveillance de flamme courte
Volet d'air
Accroche-flamme D=80 mm...
Cordon de Cérame D=3 mm