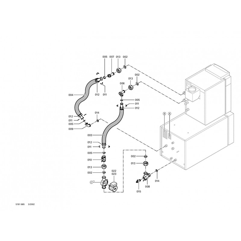
Set joint - Référence...
Té à clapet de retenue
Joint R 1" (1 pièce)
Ecrou de raccordement
Demi union G 1½"
Vanne d'isolement
Coude G1"
Té
Tube Ondule 1110 Mm
Tube ondulé 1210 mm